Prekių katalogas
14ccm hidraulinis siurblys 5179719N
Prekės kodas: K272161
Pasiteirauti apie prekę
14ccm hidraulinis siurblys 5179719N
117,45 €
Užklausa nusiųsta
Pasistengsime Jums atsakyti kuo greičiau.
14ccm hidraulinis siurblys 5179719N
Prekės kodas: K272161
117,45 €
su PVM
Pristatymo būdai:
-
Atsiėmimas parduotuvėje
Lakūnų pl. 81, Kaunas
NEMOKAMAI -
Pristatymas į paštomatus
Į pasirinktą paštomatą Jūsų mieste
nuo 3.99€ -
Pristatymas kurjeriu
Į bet kurią Lietuvos vietą
nuo 5.99€
Prekės aprašymas
Dalies numeris5179719N
EAN8716106853205
VienetasKiekvienas
Brandgopart
Produkto informacijaKramp ir gopart OE krumpliaratiniai siurbliai
Darbo tūris14 cm³/aps.
Flanšo tipas, normaEuropinis
Tvirtinimo angų skaičius4
Veleno tipasKūginis
Veleno sriegio skersmuoM12
Veleno sriegio žingsnis1,50 mm
Veleno kūgio dydžio kodas1:8
Sandarinimo tipasStandartinis
Maks. Nuolatinis darbinis slėgis 250 BAR
Maksimalus pertraukiamas darbinis slėgis 280 BAR
Maksimalus slėgio pikas 300 BAR
Maksimalus sukimosi greitis 3000 aps./min.
Minimalus sukimosi greitis 650 aps./min.
Pageidaujama sukimosi kryptis Prieš laikrodžio rodyklę (CCW)
Pagrindinio prievado dydžio kodas 1G08
Slėgio prievado dydžio kodas 1G08
Privado padėtis Šonas
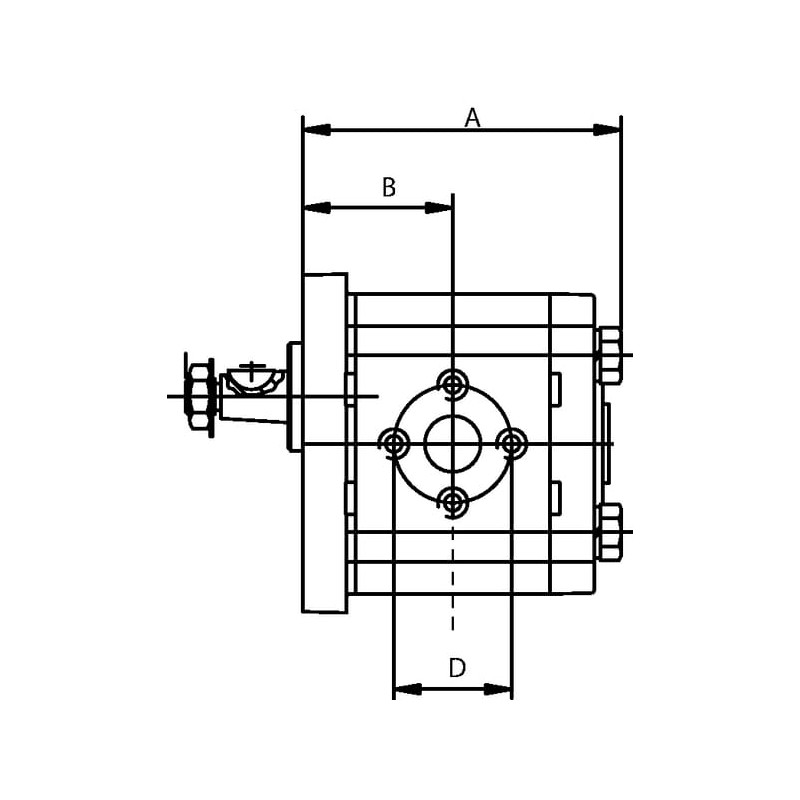
A Korpuso ilgis 113,4 mm
B Jungties atstumas iki flanšo 55,4 mm
EPlėvelės prievado varžtų apskritimo skersmuo 30 mm
D Siurbimo prievado varžtų apskritimo skersmuo 30 mm
[{"suitable-for":"Case - IH (11)"},{"suitable-for":"JX55 MaxximaSee model"},{"suitable-for":"JX60 MaxximaSee modelis"},{"suitable-for":"JX65 MaxximaŽr. modelį"},{"suitable-for":"JX70 MaxximaŽr. modelį"},{"suitable-for":"JX75 MaxximaŽr. modelį"},{"suitable-for":"JX80 MaxximaŽr. modelį"},{"suitable-for":"JX85 MaxximaŽr. modelį"},{"suitable-for":"JX90 MaxximaŽr. modelį"},{"suitable-for":"JX95 MaxximaŽr. modelį"},{"suitable-for":"VJ60Žr. modelį"},{"suitable-for":"VJ70Žr. modelį"},{"suitable-for":"Fiat (50)"},{"suitable-for":"850Žr. modelį"},{"suitable-for":"850 DTVžr. modelį"},{"suitable-for":"466Žr. modelis"},{"suitable-for":"466 DTSearch modelis"},{"suitable-for":"50/66Žr. modelį"},{"suitable-for":"50/66 DTSearch modelis"},{"suitable-for":"50/66Žr. modelį"},{"suitable-for":"56/66Žr. modelį"},{"suitable-for":"566Žr. modelį"},{"suitable-for":"566 DTSearch modelis"},{"suitable-for":"65/66 DTSearch modelis"},{"suitable-for":"666Žr. modelį"},{"suitable-for":"666 DTSearch modelis"},{"suitable-for":"45/76Žr. modelį"},{"suitable-for":"55/76Žr. modelį"},{"suitable-for":"80/76Žr. modelis"},{"suitable-for":"580Žr. modelį"},{"suitable-for":"580 DTSee modelis"},{"suitable-for":"680Žr. modelį"},{"suitable-for":"680 DTSee modelis"},{"suitable-for":"780Žr. modelį"},{"suitable-for":"780 DTSee modelis"},{"suitable-for":"880 Žr. modelį"},{"suitable-for":"880/5Žr. modelį"},{"suitable-for":"880/5 DTSee modelis"},{"suitable-for":"980 Žr. modelį"},{"suitable-for":"980 DTSee modelis"},{"suitable-for":"65/88 Žr. modelį"},{"suitable-for":"65/88 DTSee modelis"},{"suitable-for":"70/88Žr. modelį"},{"suitable-for":"70/88 DTPžiūrėk modelį"},{"suitable-for":"80/88Žr. modelį"},{"suitable-for":"80/88 DTPžiūrėk modelį"},{"suitable-for":"55/90Žr. modelį"},{"suitable-for":"55/90 DTPžiūrėk modelį"},{"suitable-for":"60/90Žr. modelį"},{"suitable-for":"60/90 DTPžiūrėk modelį"},{"suitable-for":"65/90Žr. modelį"},{"suitable-for":"65/90 DTPžiūrėk modelį"},{"suitable-for":"70/90Žr. modelį"},{"suitable-for":"70/90 DTPžiūrėk modelį"},{"suitable-for":"80/90Žr. modelis"},{"suitable-for":"80/90 DTPžiūrėk modelį"},{"suitable-for":"85/90 DTPžiūrėk modelį"},{"suitable-for":"85/90 DTPžiūrėk modelį"},{"suitable-for":"60/94 DTPžiūrėk modelį"},{"suitable-for":"60/94 DTPžiūrėk modelį"},{"suitable-for":"65/94 DTPžiūrėk modelį"},{"suitable-for":"65/94 DTPžiūrėk modelį"},{"suitable-for":"Ford (2)"},{"suitable-for":"3935 Žr. modelį"},{"suitable-for":"4135 Žr. modelį"},{"suitable-for":"New Holland (14)"},{"suitable-for":"TD55DŽiūrėk modelį"},{"suitable-for":"TD60DŽiūrė modelis"},{"suitable-for":"TD60DPlusSee model"},{"suitable-for":"TD65DSee model"},{"suitable-for":"TD70DSee model"},{"suitable-for":"TD70DPlusSee model"},{"suitable-for":"TD75DSee model"},{"suitable-for":"TD80DSee model"},{"suitable-for":"TD80DPlusSee model"},{"suitable-for":"TD85DSee model"},{"suitable-for":"TD90DSee model"},{"suitable-for":"TD95DSee model"},{"suitable-for":"TD95DPlusSee model"}]
EAN8716106853205
VienetasKiekvienas
Brandgopart
Produkto informacijaKramp ir gopart OE krumpliaratiniai siurbliai
Darbo tūris14 cm³/aps.
Flanšo tipas, normaEuropinis
Tvirtinimo angų skaičius4
Veleno tipasKūginis
Veleno sriegio skersmuoM12
Veleno sriegio žingsnis1,50 mm
Veleno kūgio dydžio kodas1:8
Sandarinimo tipasStandartinis
Maks. Nuolatinis darbinis slėgis 250 BAR
Maksimalus pertraukiamas darbinis slėgis 280 BAR
Maksimalus slėgio pikas 300 BAR
Maksimalus sukimosi greitis 3000 aps./min.
Minimalus sukimosi greitis 650 aps./min.
Pageidaujama sukimosi kryptis Prieš laikrodžio rodyklę (CCW)
Pagrindinio prievado dydžio kodas 1G08
Slėgio prievado dydžio kodas 1G08
Privado padėtis Šonas
A Korpuso ilgis 113,4 mm
B Jungties atstumas iki flanšo 55,4 mm
EPlėvelės prievado varžtų apskritimo skersmuo 30 mm
D Siurbimo prievado varžtų apskritimo skersmuo 30 mm
[{"suitable-for":"Case - IH (11)"},{"suitable-for":"JX55 MaxximaSee model"},{"suitable-for":"JX60 MaxximaSee modelis"},{"suitable-for":"JX65 MaxximaŽr. modelį"},{"suitable-for":"JX70 MaxximaŽr. modelį"},{"suitable-for":"JX75 MaxximaŽr. modelį"},{"suitable-for":"JX80 MaxximaŽr. modelį"},{"suitable-for":"JX85 MaxximaŽr. modelį"},{"suitable-for":"JX90 MaxximaŽr. modelį"},{"suitable-for":"JX95 MaxximaŽr. modelį"},{"suitable-for":"VJ60Žr. modelį"},{"suitable-for":"VJ70Žr. modelį"},{"suitable-for":"Fiat (50)"},{"suitable-for":"850Žr. modelį"},{"suitable-for":"850 DTVžr. modelį"},{"suitable-for":"466Žr. modelis"},{"suitable-for":"466 DTSearch modelis"},{"suitable-for":"50/66Žr. modelį"},{"suitable-for":"50/66 DTSearch modelis"},{"suitable-for":"50/66Žr. modelį"},{"suitable-for":"56/66Žr. modelį"},{"suitable-for":"566Žr. modelį"},{"suitable-for":"566 DTSearch modelis"},{"suitable-for":"65/66 DTSearch modelis"},{"suitable-for":"666Žr. modelį"},{"suitable-for":"666 DTSearch modelis"},{"suitable-for":"45/76Žr. modelį"},{"suitable-for":"55/76Žr. modelį"},{"suitable-for":"80/76Žr. modelis"},{"suitable-for":"580Žr. modelį"},{"suitable-for":"580 DTSee modelis"},{"suitable-for":"680Žr. modelį"},{"suitable-for":"680 DTSee modelis"},{"suitable-for":"780Žr. modelį"},{"suitable-for":"780 DTSee modelis"},{"suitable-for":"880 Žr. modelį"},{"suitable-for":"880/5Žr. modelį"},{"suitable-for":"880/5 DTSee modelis"},{"suitable-for":"980 Žr. modelį"},{"suitable-for":"980 DTSee modelis"},{"suitable-for":"65/88 Žr. modelį"},{"suitable-for":"65/88 DTSee modelis"},{"suitable-for":"70/88Žr. modelį"},{"suitable-for":"70/88 DTPžiūrėk modelį"},{"suitable-for":"80/88Žr. modelį"},{"suitable-for":"80/88 DTPžiūrėk modelį"},{"suitable-for":"55/90Žr. modelį"},{"suitable-for":"55/90 DTPžiūrėk modelį"},{"suitable-for":"60/90Žr. modelį"},{"suitable-for":"60/90 DTPžiūrėk modelį"},{"suitable-for":"65/90Žr. modelį"},{"suitable-for":"65/90 DTPžiūrėk modelį"},{"suitable-for":"70/90Žr. modelį"},{"suitable-for":"70/90 DTPžiūrėk modelį"},{"suitable-for":"80/90Žr. modelis"},{"suitable-for":"80/90 DTPžiūrėk modelį"},{"suitable-for":"85/90 DTPžiūrėk modelį"},{"suitable-for":"85/90 DTPžiūrėk modelį"},{"suitable-for":"60/94 DTPžiūrėk modelį"},{"suitable-for":"60/94 DTPžiūrėk modelį"},{"suitable-for":"65/94 DTPžiūrėk modelį"},{"suitable-for":"65/94 DTPžiūrėk modelį"},{"suitable-for":"Ford (2)"},{"suitable-for":"3935 Žr. modelį"},{"suitable-for":"4135 Žr. modelį"},{"suitable-for":"New Holland (14)"},{"suitable-for":"TD55DŽiūrėk modelį"},{"suitable-for":"TD60DŽiūrė modelis"},{"suitable-for":"TD60DPlusSee model"},{"suitable-for":"TD65DSee model"},{"suitable-for":"TD70DSee model"},{"suitable-for":"TD70DPlusSee model"},{"suitable-for":"TD75DSee model"},{"suitable-for":"TD80DSee model"},{"suitable-for":"TD80DPlusSee model"},{"suitable-for":"TD85DSee model"},{"suitable-for":"TD90DSee model"},{"suitable-for":"TD95DSee model"},{"suitable-for":"TD95DPlusSee model"}]
Savybės
K272161
Garantija
Paslaugos teikimo sąlygos:
- Prekės, esančios tos pačios fizinės parduotuvės sandėlyje, bus paruoštos per 1-3 darbo dienas nuo užsakymo patvirtinimo.
- Prieš užsisakant prekę, perskaitykite specifikaciją ir kitą informaciją.
- Jei prekė yra skirtinguose sandėliuose, pristatymo laikas gali būti pratęstas iki 7 darbo dienų.
- Dėl išsamesnės prekių pristatymo informacijos teiraukitės info@perlitas.lt arba +370 37 298239. Grąžinimas, keitimas, pristatymas
- Šventinių dienų ir iškirtinių akcijų laikotarpiu (pvz.: Šv. Kalėdos, Black Friday) prekių pristatymas dėl didelio kurjerių užimtumo gali pailgėti 2-5 d. d.;
- Prekių pristatymas vykdomas darbo dienomis (I-V), 08:00 – 17:00 val.;
- Dieną prieš prekės pristatymą informuojama sms žinute apie prekės išsiuntimą, statuso pasikeitimą;
- Pristatymo dieną apie siuntos pristatymo laiką 1 val. tikslumu informuojama SMS žinute;
- Kai prekės bus išsiūstos iš Mūsų sandėlio, Jūs gausite siuntos sekimo numerį.
- Prekių nuotraukos, pakuotės spalva, komplektacija ir forma gali skirtis nuo realios prekės išvaizdos.
Prekių pristatymas Lietuvoje, Latvijoje, Estijoje.
Prekes galite atsiimti mūsų parduotuvėje Kaune adresu: Lakūnų pl. 81, Kaunas (Aleksotas)
Prekių pristatymas - Dalių
Paslaugos teikimo sąlygos:
- Prekės, esančios tos pačios fizinės parduotuvės sandėlyje, bus paruoštos per 1-3 darbo dienas nuo užsakymo patvirtinimo.
- Prieš užsisakant prekę, perskaitykite specifikaciją ir kitą informaciją.
- Jei prekė yra skirtinguose sandėliuose, pristatymo laikas gali būti pratęstas iki 7 darbo dienų.
- Dėl išsamesnės prekių pristatymo informacijos teiraukitės info@perlitas.lt arba +370 37 298239. Grąžinimas, keitimas, pristatymas
- Šventinių dienų ir iškirtinių akcijų laikotarpiu (pvz.: Šv. Kalėdos, Black Friday) prekių pristatymas dėl didelio kurjerių užimtumo gali pailgėti 2-5 d. d.;
- Prekių pristatymas vykdomas darbo dienomis (I-V), 08:00 – 17:00 val.;
- Dieną prieš prekės pristatymą informuojama sms žinute apie prekės išsiuntimą, statuso pasikeitimą;
- Pristatymo dieną apie siuntos pristatymo laiką 1 val. tikslumu informuojama SMS žinute;
- Kai prekės bus išsiūstos iš Mūsų sandėlio, Jūs gausite siuntos sekimo numerį.
- Prekių nuotraukos, pakuotės spalva, komplektacija ir forma gali skirtis nuo realios prekės išvaizdos.
Prekių pristatymas Lietuvoje, Latvijoje, Estijoje.
Prekes galite atsiimti mūsų parduotuvėje Kaune adresu: Lakūnų pl. 81, Kaunas (Aleksotas)
Prekių pristatymas - Technikos
Paslaugos teikimo sąlygos:
- Prekės, esančios tos pačios fizinės parduotuvės sandėlyje, bus paruoštos per 1-3 darbo dienas nuo užsakymo patvirtinimo.
- Prieš užsisakant prekę, perskaitykite specifikaciją ir kitą informaciją.
- Jei prekė yra skirtinguose sandėliuose, pristatymo laikas gali būti pratęstas iki 7 darbo dienų.
- Dėl išsamesnės prekių pristatymo informacijos teiraukitės info@perlitas.lt arba +370 37 298239. Grąžinimas, keitimas, pristatymas
- Šventinių dienų ir iškirtinių akcijų laikotarpiu (pvz.: Šv. Kalėdos, Black Friday) prekių pristatymas dėl didelio kurjerių užimtumo gali pailgėti 2-5 d. d.;
- Prekių pristatymas vykdomas darbo dienomis (I-V), 08:00 – 17:00 val.;
- Dieną prieš prekės pristatymą informuojama sms žinute apie prekės išsiuntimą, statuso pasikeitimą;
- Pristatymo dieną apie siuntos pristatymo laiką 1 val. tikslumu informuojama SMS žinute;
- Kai prekės bus išsiūstos iš Mūsų sandėlio, Jūs gausite siuntos sekimo numerį.
- Prekių nuotraukos, pakuotės spalva, komplektacija ir forma gali skirtis nuo realios prekės išvaizdos.
Prekių pristatymas Lietuvoje, Latvijoje, Estijoje.
Prekes galite atsiimti mūsų parduotuvėje Kaune adresu: Lakūnų pl. 81, Kaunas (Aleksotas)
Susijusios prekės
Parduotuvė Kaune
-
I-V: 08:00 – 17:00
VI: 10:00 – 14:00
VII: Nedirbame