Prekių katalogas
Korpuso blokas UCF YUCF205HSKF
Prekės kodas: K142475
Pasiteirauti apie prekę
Korpuso blokas UCF YUCF205HSKF
30,44 €
Užklausa nusiųsta
Pasistengsime Jums atsakyti kuo greičiau.
Korpuso blokas UCF YUCF205HSKF
Prekės kodas: K142475
30,44 €
su PVM
Pristatymo būdai:
-
Atsiėmimas parduotuvėje
Lakūnų pl. 81, Kaunas
NEMOKAMAI -
Pristatymas į paštomatus
Į pasirinktą paštomatą Jūsų mieste
nuo 3.99€ -
Pristatymas kurjeriu
Į bet kurią Lietuvos vietą
nuo 5.99€
Prekės aprašymas
Dalies numerisYUCF205HSKF
EAN
VienetasKiekvienas
GamintojasSKF
Išsamus aprašymasŠie kvadratiniai rutuliniai guoliai su keturiomis varžtų skylėmis yra iš anksto surinkti ir sutepti. Tai leidžia juos greitai išskleisti. Savaime išsilyginantis sferinis išorinis plataus vidinio žiedo rutulinio guolio žiedas kompensuoja veleno nesutapimą.
PrivalumaiPuikiai tinka ribotoms montavimo erdvėmsSurinktas, paruoštas naudotiIš anksto suteptas
Produkto informacijaVidinis guolis turi prailgintą vidinį žiedą iš abiejų pusių su 2 reguliavimo varžtaisPakartotinai sutepamas Savaime išsilyginantis rutulinis guolis Platus vidinis žiedas rutulinis guolis
SavybėsVidinis guolis turi prailgintą vidinį žiedą su 2 reguliavimo varžtais iš abiejų pusių Galima vėliau sutepti
ĮskaitantGuolių blokasGuolisTepimo nipelis
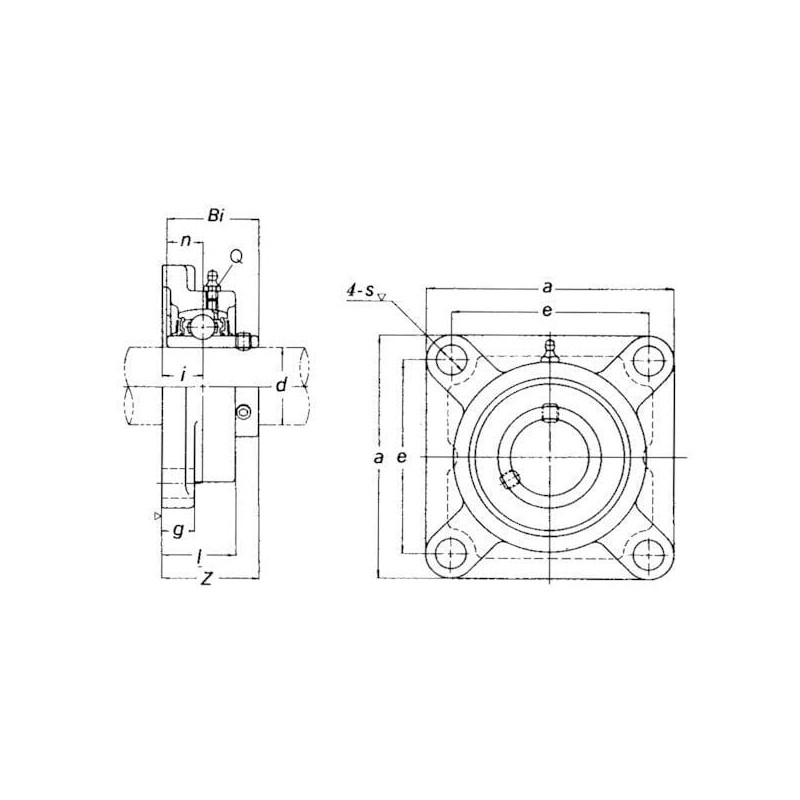
Korpuso tipasKvadratinis flanšas
dGuolio vidinis skersmuo25 mm
aBendras ilgis95 mm
aKorpuso plotis95 mm
Bendras aukštis35,8 mm
Ribinis greitis97,5 aps./s
Skersinio skersmens tipasCilindrinis
Bendras plotis35,8 mm
lKorpuso aukštis27 mm
BiGuolio vidinio žiedo plotis34,1 mm
eTvirtinimo angų atstumas70 mm
Tvirtinimo angos skersmuo 12 mm
Tvirtinimo angų skaičius 4
Pakartotinai tepama Taip
Korpuso medžiagaKetus
Guolių medžiagaPlienas
Pagrindinė statinė radialinė apkrova 7800 N
Pagrindinė dinaminė radialinė apkrova 14000 N
[]
EAN
VienetasKiekvienas
GamintojasSKF
Išsamus aprašymasŠie kvadratiniai rutuliniai guoliai su keturiomis varžtų skylėmis yra iš anksto surinkti ir sutepti. Tai leidžia juos greitai išskleisti. Savaime išsilyginantis sferinis išorinis plataus vidinio žiedo rutulinio guolio žiedas kompensuoja veleno nesutapimą.
PrivalumaiPuikiai tinka ribotoms montavimo erdvėmsSurinktas, paruoštas naudotiIš anksto suteptas
Produkto informacijaVidinis guolis turi prailgintą vidinį žiedą iš abiejų pusių su 2 reguliavimo varžtaisPakartotinai sutepamas Savaime išsilyginantis rutulinis guolis Platus vidinis žiedas rutulinis guolis
SavybėsVidinis guolis turi prailgintą vidinį žiedą su 2 reguliavimo varžtais iš abiejų pusių Galima vėliau sutepti
ĮskaitantGuolių blokasGuolisTepimo nipelis
Korpuso tipasKvadratinis flanšas
dGuolio vidinis skersmuo25 mm
aBendras ilgis95 mm
aKorpuso plotis95 mm
Bendras aukštis35,8 mm
Ribinis greitis97,5 aps./s
Skersinio skersmens tipasCilindrinis
Bendras plotis35,8 mm
lKorpuso aukštis27 mm
BiGuolio vidinio žiedo plotis34,1 mm
eTvirtinimo angų atstumas70 mm
Tvirtinimo angos skersmuo 12 mm
Tvirtinimo angų skaičius 4
Pakartotinai tepama Taip
Korpuso medžiagaKetus
Guolių medžiagaPlienas
Pagrindinė statinė radialinė apkrova 7800 N
Pagrindinė dinaminė radialinė apkrova 14000 N
[]
Savybės
K142475
Garantija
Paslaugos teikimo sąlygos:
- Prekės, esančios tos pačios fizinės parduotuvės sandėlyje, bus paruoštos per 1-3 darbo dienas nuo užsakymo patvirtinimo.
- Prieš užsisakant prekę, perskaitykite specifikaciją ir kitą informaciją.
- Jei prekė yra skirtinguose sandėliuose, pristatymo laikas gali būti pratęstas iki 7 darbo dienų.
- Dėl išsamesnės prekių pristatymo informacijos teiraukitės info@perlitas.lt arba +370 37 298239. Grąžinimas, keitimas, pristatymas
- Šventinių dienų ir iškirtinių akcijų laikotarpiu (pvz.: Šv. Kalėdos, Black Friday) prekių pristatymas dėl didelio kurjerių užimtumo gali pailgėti 2-5 d. d.;
- Prekių pristatymas vykdomas darbo dienomis (I-V), 08:00 – 17:00 val.;
- Dieną prieš prekės pristatymą informuojama sms žinute apie prekės išsiuntimą, statuso pasikeitimą;
- Pristatymo dieną apie siuntos pristatymo laiką 1 val. tikslumu informuojama SMS žinute;
- Kai prekės bus išsiūstos iš Mūsų sandėlio, Jūs gausite siuntos sekimo numerį.
- Prekių nuotraukos, pakuotės spalva, komplektacija ir forma gali skirtis nuo realios prekės išvaizdos.
Prekių pristatymas Lietuvoje, Latvijoje, Estijoje.
Prekes galite atsiimti mūsų parduotuvėje Kaune adresu: Lakūnų pl. 81, Kaunas (Aleksotas)
Prekių pristatymas - Dalių
Paslaugos teikimo sąlygos:
- Prekės, esančios tos pačios fizinės parduotuvės sandėlyje, bus paruoštos per 1-3 darbo dienas nuo užsakymo patvirtinimo.
- Prieš užsisakant prekę, perskaitykite specifikaciją ir kitą informaciją.
- Jei prekė yra skirtinguose sandėliuose, pristatymo laikas gali būti pratęstas iki 7 darbo dienų.
- Dėl išsamesnės prekių pristatymo informacijos teiraukitės info@perlitas.lt arba +370 37 298239. Grąžinimas, keitimas, pristatymas
- Šventinių dienų ir iškirtinių akcijų laikotarpiu (pvz.: Šv. Kalėdos, Black Friday) prekių pristatymas dėl didelio kurjerių užimtumo gali pailgėti 2-5 d. d.;
- Prekių pristatymas vykdomas darbo dienomis (I-V), 08:00 – 17:00 val.;
- Dieną prieš prekės pristatymą informuojama sms žinute apie prekės išsiuntimą, statuso pasikeitimą;
- Pristatymo dieną apie siuntos pristatymo laiką 1 val. tikslumu informuojama SMS žinute;
- Kai prekės bus išsiūstos iš Mūsų sandėlio, Jūs gausite siuntos sekimo numerį.
- Prekių nuotraukos, pakuotės spalva, komplektacija ir forma gali skirtis nuo realios prekės išvaizdos.
Prekių pristatymas Lietuvoje, Latvijoje, Estijoje.
Prekes galite atsiimti mūsų parduotuvėje Kaune adresu: Lakūnų pl. 81, Kaunas (Aleksotas)
Prekių pristatymas - Technikos
Paslaugos teikimo sąlygos:
- Prekės, esančios tos pačios fizinės parduotuvės sandėlyje, bus paruoštos per 1-3 darbo dienas nuo užsakymo patvirtinimo.
- Prieš užsisakant prekę, perskaitykite specifikaciją ir kitą informaciją.
- Jei prekė yra skirtinguose sandėliuose, pristatymo laikas gali būti pratęstas iki 7 darbo dienų.
- Dėl išsamesnės prekių pristatymo informacijos teiraukitės info@perlitas.lt arba +370 37 298239. Grąžinimas, keitimas, pristatymas
- Šventinių dienų ir iškirtinių akcijų laikotarpiu (pvz.: Šv. Kalėdos, Black Friday) prekių pristatymas dėl didelio kurjerių užimtumo gali pailgėti 2-5 d. d.;
- Prekių pristatymas vykdomas darbo dienomis (I-V), 08:00 – 17:00 val.;
- Dieną prieš prekės pristatymą informuojama sms žinute apie prekės išsiuntimą, statuso pasikeitimą;
- Pristatymo dieną apie siuntos pristatymo laiką 1 val. tikslumu informuojama SMS žinute;
- Kai prekės bus išsiūstos iš Mūsų sandėlio, Jūs gausite siuntos sekimo numerį.
- Prekių nuotraukos, pakuotės spalva, komplektacija ir forma gali skirtis nuo realios prekės išvaizdos.
Prekių pristatymas Lietuvoje, Latvijoje, Estijoje.
Prekes galite atsiimti mūsų parduotuvėje Kaune adresu: Lakūnų pl. 81, Kaunas (Aleksotas)
Susijusios prekės
Parduotuvė Kaune
-
I-V: 08:00 – 17:00
VI: 10:00 – 14:00
VII: Nedirbame