Prekių katalogas
L1141
Prekės kodas: K160996
Pasiteirauti apie prekę
L1141
43,61 €
Užklausa nusiųsta
Pasistengsime Jums atsakyti kuo greičiau.
L1141
Prekės kodas: K160996
43,61 €
su PVM
Pristatymo būdai:
-
Atsiėmimas parduotuvėje
Lakūnų pl. 81, Kaunas
NEMOKAMAI -
Pristatymas į paštomatus
Į pasirinktą paštomatą Jūsų mieste
nuo 3.99€ -
Pristatymas kurjeriu
Į bet kurią Lietuvos vietą
nuo 5.99€
Prekės aprašymas
Dalies numerisL1141
EAN
VienetasKiekvienas
Prekės ženklasMP Filtri
Išsamus aprašymasSiurblių laikikliai reikalingi norint prijungti siurblius prie standartinių IEC elektros variklių. Taip išvengiama lygiavimo problemų.
PrivalumaiNereikia lygiuoti siurblio ir variklio
Produkto informacijaStandartiniai siurblių laikikliai krumpliaratinių siurblių grupėms 1, 2, 3, L tipo Krumpliaratinių siurblių su stačiakampiu flanšu ir kūginiu velenu (Europos standartas) Asortimentas: nuo 0,22 iki 22 kW Lieto aliuminio 4E tipo (žr. pagrindinio modelio kodą) vamzdis turi centravimo žiedą. Siurblio ir variklio derinys dažnai montuojamas horizontaliai ant bako viršaus, kad būtų patogu jį prižiūrėti. Siurblį išardyti paprastai galima neišimant variklio, ant siurblio pritvirtinta jungties pusė įstatoma per varpo korpuso angą. 4S tipo (žr. pagrindinio modelio kodą) vamzdis neturi centravimo žiedo. Siurblio ir variklio derinys dažnai montuojamas prie bako vertikaliai, tai reiškia, kad siurblys yra panardintas į rezervuarą. Kartu su elastinėmis GE tipo jungtimis. Temperatūros diapazonas: nuo -30 °C iki +80 °C.
Papildoma informacija. 4E tipas turi centravimo poveržlę. Siurblio ir variklio derinys dažnai montuojamas prie bako arba mašinos horizontaliai, kad būtų lengviau ir patogiau prižiūrėti. Siurblį paprastai galima išardyti neišimant variklio, o ant siurblio pritvirtinta jungties pusė įkišama per varpo korpuso angą.
Pagrindinis modelio kodas: LMG140MFS1004E.
Sukurta: Standartiniai žibintų žiedai pagaminti iš lieto aliuminio. Žiedų žiedai tinka SATURN serijos siurbliams ir yra tinkami nuo 0,25 iki 22 kW galiai. Varikliams su B5 flanšu.
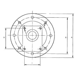
B Varžto apskritimo skersmuo 115 mm
Montavimo angos skersmuo 85 mm
IAtstumas tarp tvirtinimo angų centrų ir trumposios pusės centrų 52,40 mm
H Atstumas tarp tvirtinimo angų centrų ir ilgosios pusės centrų 72,00 mm
Flanšas B5
Flanšo plotis 13 mm
DVidinis skersmuo 95 mm
Užrakto skersmuo 25,4 mm
Medžiaga Lietas aliuminis
A Išorinis skersmuo 140 mm
Siurblio grupė Gr 1; E (52 x 72)
Tipas 4E
Bendras plotis 60 mm
[]
EAN
VienetasKiekvienas
Prekės ženklasMP Filtri
Išsamus aprašymasSiurblių laikikliai reikalingi norint prijungti siurblius prie standartinių IEC elektros variklių. Taip išvengiama lygiavimo problemų.
PrivalumaiNereikia lygiuoti siurblio ir variklio
Produkto informacijaStandartiniai siurblių laikikliai krumpliaratinių siurblių grupėms 1, 2, 3, L tipo Krumpliaratinių siurblių su stačiakampiu flanšu ir kūginiu velenu (Europos standartas) Asortimentas: nuo 0,22 iki 22 kW Lieto aliuminio 4E tipo (žr. pagrindinio modelio kodą) vamzdis turi centravimo žiedą. Siurblio ir variklio derinys dažnai montuojamas horizontaliai ant bako viršaus, kad būtų patogu jį prižiūrėti. Siurblį išardyti paprastai galima neišimant variklio, ant siurblio pritvirtinta jungties pusė įstatoma per varpo korpuso angą. 4S tipo (žr. pagrindinio modelio kodą) vamzdis neturi centravimo žiedo. Siurblio ir variklio derinys dažnai montuojamas prie bako vertikaliai, tai reiškia, kad siurblys yra panardintas į rezervuarą. Kartu su elastinėmis GE tipo jungtimis. Temperatūros diapazonas: nuo -30 °C iki +80 °C.
Papildoma informacija. 4E tipas turi centravimo poveržlę. Siurblio ir variklio derinys dažnai montuojamas prie bako arba mašinos horizontaliai, kad būtų lengviau ir patogiau prižiūrėti. Siurblį paprastai galima išardyti neišimant variklio, o ant siurblio pritvirtinta jungties pusė įkišama per varpo korpuso angą.
Pagrindinis modelio kodas: LMG140MFS1004E.
Sukurta: Standartiniai žibintų žiedai pagaminti iš lieto aliuminio. Žiedų žiedai tinka SATURN serijos siurbliams ir yra tinkami nuo 0,25 iki 22 kW galiai. Varikliams su B5 flanšu.
B Varžto apskritimo skersmuo 115 mm
Montavimo angos skersmuo 85 mm
IAtstumas tarp tvirtinimo angų centrų ir trumposios pusės centrų 52,40 mm
H Atstumas tarp tvirtinimo angų centrų ir ilgosios pusės centrų 72,00 mm
Flanšas B5
Flanšo plotis 13 mm
DVidinis skersmuo 95 mm
Užrakto skersmuo 25,4 mm
Medžiaga Lietas aliuminis
A Išorinis skersmuo 140 mm
Siurblio grupė Gr 1; E (52 x 72)
Tipas 4E
Bendras plotis 60 mm
[]
Savybės
K160996
Garantija
Paslaugos teikimo sąlygos:
- Prekės, esančios tos pačios fizinės parduotuvės sandėlyje, bus paruoštos per 1-3 darbo dienas nuo užsakymo patvirtinimo.
- Prieš užsisakant prekę, perskaitykite specifikaciją ir kitą informaciją.
- Jei prekė yra skirtinguose sandėliuose, pristatymo laikas gali būti pratęstas iki 7 darbo dienų.
- Dėl išsamesnės prekių pristatymo informacijos teiraukitės info@perlitas.lt arba +370 37 298239. Grąžinimas, keitimas, pristatymas
- Šventinių dienų ir iškirtinių akcijų laikotarpiu (pvz.: Šv. Kalėdos, Black Friday) prekių pristatymas dėl didelio kurjerių užimtumo gali pailgėti 2-5 d. d.;
- Prekių pristatymas vykdomas darbo dienomis (I-V), 08:00 – 17:00 val.;
- Dieną prieš prekės pristatymą informuojama sms žinute apie prekės išsiuntimą, statuso pasikeitimą;
- Pristatymo dieną apie siuntos pristatymo laiką 1 val. tikslumu informuojama SMS žinute;
- Kai prekės bus išsiūstos iš Mūsų sandėlio, Jūs gausite siuntos sekimo numerį.
- Prekių nuotraukos, pakuotės spalva, komplektacija ir forma gali skirtis nuo realios prekės išvaizdos.
Prekių pristatymas Lietuvoje, Latvijoje, Estijoje.
Prekes galite atsiimti mūsų parduotuvėje Kaune adresu: Lakūnų pl. 81, Kaunas (Aleksotas)
Prekių pristatymas - Dalių
Paslaugos teikimo sąlygos:
- Prekės, esančios tos pačios fizinės parduotuvės sandėlyje, bus paruoštos per 1-3 darbo dienas nuo užsakymo patvirtinimo.
- Prieš užsisakant prekę, perskaitykite specifikaciją ir kitą informaciją.
- Jei prekė yra skirtinguose sandėliuose, pristatymo laikas gali būti pratęstas iki 7 darbo dienų.
- Dėl išsamesnės prekių pristatymo informacijos teiraukitės info@perlitas.lt arba +370 37 298239. Grąžinimas, keitimas, pristatymas
- Šventinių dienų ir iškirtinių akcijų laikotarpiu (pvz.: Šv. Kalėdos, Black Friday) prekių pristatymas dėl didelio kurjerių užimtumo gali pailgėti 2-5 d. d.;
- Prekių pristatymas vykdomas darbo dienomis (I-V), 08:00 – 17:00 val.;
- Dieną prieš prekės pristatymą informuojama sms žinute apie prekės išsiuntimą, statuso pasikeitimą;
- Pristatymo dieną apie siuntos pristatymo laiką 1 val. tikslumu informuojama SMS žinute;
- Kai prekės bus išsiūstos iš Mūsų sandėlio, Jūs gausite siuntos sekimo numerį.
- Prekių nuotraukos, pakuotės spalva, komplektacija ir forma gali skirtis nuo realios prekės išvaizdos.
Prekių pristatymas Lietuvoje, Latvijoje, Estijoje.
Prekes galite atsiimti mūsų parduotuvėje Kaune adresu: Lakūnų pl. 81, Kaunas (Aleksotas)
Prekių pristatymas - Technikos
Paslaugos teikimo sąlygos:
- Prekės, esančios tos pačios fizinės parduotuvės sandėlyje, bus paruoštos per 1-3 darbo dienas nuo užsakymo patvirtinimo.
- Prieš užsisakant prekę, perskaitykite specifikaciją ir kitą informaciją.
- Jei prekė yra skirtinguose sandėliuose, pristatymo laikas gali būti pratęstas iki 7 darbo dienų.
- Dėl išsamesnės prekių pristatymo informacijos teiraukitės info@perlitas.lt arba +370 37 298239. Grąžinimas, keitimas, pristatymas
- Šventinių dienų ir iškirtinių akcijų laikotarpiu (pvz.: Šv. Kalėdos, Black Friday) prekių pristatymas dėl didelio kurjerių užimtumo gali pailgėti 2-5 d. d.;
- Prekių pristatymas vykdomas darbo dienomis (I-V), 08:00 – 17:00 val.;
- Dieną prieš prekės pristatymą informuojama sms žinute apie prekės išsiuntimą, statuso pasikeitimą;
- Pristatymo dieną apie siuntos pristatymo laiką 1 val. tikslumu informuojama SMS žinute;
- Kai prekės bus išsiūstos iš Mūsų sandėlio, Jūs gausite siuntos sekimo numerį.
- Prekių nuotraukos, pakuotės spalva, komplektacija ir forma gali skirtis nuo realios prekės išvaizdos.
Prekių pristatymas Lietuvoje, Latvijoje, Estijoje.
Prekes galite atsiimti mūsų parduotuvėje Kaune adresu: Lakūnų pl. 81, Kaunas (Aleksotas)
Susijusios prekės
Parduotuvė Kaune
-
I-V: 08:00 – 17:00
VI: 10:00 – 14:00
VII: Nedirbame