Prekių katalogas
Orbitinis variklis, veleno Ø16 pusė OMM8151G0041
Prekės kodas: K130555
Pasiteirauti apie prekę
Orbitinis variklis, veleno Ø16 pusė OMM8151G0041
147,62 €
Užklausa nusiųsta
Pasistengsime Jums atsakyti kuo greičiau.
Orbitinis variklis, veleno Ø16 pusė OMM8151G0041
Prekės kodas: K130555
147,62 €
su PVM
Pristatymo būdai:
-
Atsiėmimas parduotuvėje
Lakūnų pl. 81, Kaunas
NEMOKAMAI -
Pristatymas į paštomatus
Į pasirinktą paštomatą Jūsų mieste
nuo 3.99€ -
Pristatymas kurjeriu
Į bet kurią Lietuvos vietą
nuo 5.99€
Prekės aprašymas
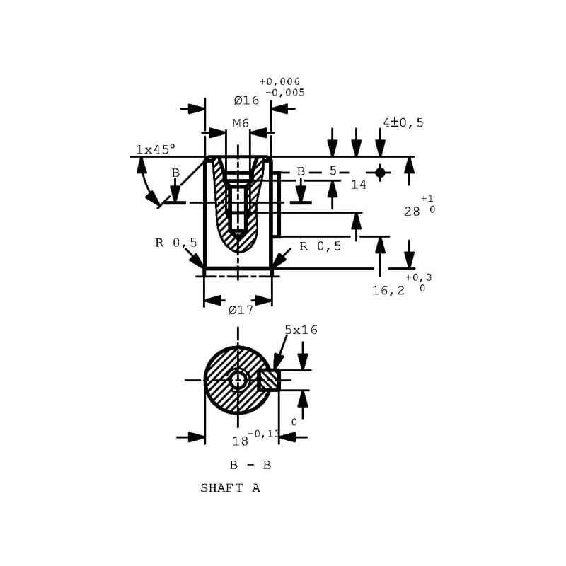
Dalies numerisOMM8151G0041
EAN
VienetasKiekvienas
Prekės ženklasBalta
Išsamus aprašymasOrbitiniai varikliai pasižymi kompaktiška konstrukcija ir dideliu paleidimo sukimo momentu.
PrivalumaiGalima įsigyti su galinėmis arba šoninėmis jungtimis Galimi įvairūs velenų modeliai
Produkto informacijaTinka nuolatiniam darbui esant vidutiniam slėgiui arba trumpalaikiam darbui esant aukštam slėgiui Tvirta ir kompaktiška konstrukcija Žr. techninę informaciją apie didžiausias radialines ir ašines apkrovas Priklauso mažų orbitinių variklių serijai
Tvirtinimo angų skaičius3
Veleno tipasTiesus lygiagretus
Veleno skersmuo16 mm
Veleno sriegio skersmuoM6
Veleno sriegio tipasMetrinis
Tūris8 cm³/aps.
Maksimalus nuolatinis sukimo momentas11 N·m
Sandarinimo tipasStandartinis
Maks. Nuolatinis darbinis slėgis 100 BAR
Maksimalus pertraukiamas darbinis slėgis 140 BAR
Maksimalus slėgio pikas 200 BAR
Maksimalus srautas 16 l/min
Maksimalus sukimosi greitis 1950 aps./min
Minimalus sukimosi greitis 50 aps./min
Pagrindinio angos sriegio skersmuo 3/8 colio
Pagrindinio angos sriegio tipas G
Išleidimo angos sriegio skersmuo 1/8 colio
Išleidimo angos sriegio tipas G
L1Rotoriaus ilgis 3,5 mm
Maksimali galia 1,8 kW
LKorpuso ilgis 112,5 mm
Originalus numerio atitikmuo 151G0041
[]
EAN
VienetasKiekvienas
Prekės ženklasBalta
Išsamus aprašymasOrbitiniai varikliai pasižymi kompaktiška konstrukcija ir dideliu paleidimo sukimo momentu.
PrivalumaiGalima įsigyti su galinėmis arba šoninėmis jungtimis Galimi įvairūs velenų modeliai
Produkto informacijaTinka nuolatiniam darbui esant vidutiniam slėgiui arba trumpalaikiam darbui esant aukštam slėgiui Tvirta ir kompaktiška konstrukcija Žr. techninę informaciją apie didžiausias radialines ir ašines apkrovas Priklauso mažų orbitinių variklių serijai
Tvirtinimo angų skaičius3
Veleno tipasTiesus lygiagretus
Veleno skersmuo16 mm
Veleno sriegio skersmuoM6
Veleno sriegio tipasMetrinis
Tūris8 cm³/aps.
Maksimalus nuolatinis sukimo momentas11 N·m
Sandarinimo tipasStandartinis
Maks. Nuolatinis darbinis slėgis 100 BAR
Maksimalus pertraukiamas darbinis slėgis 140 BAR
Maksimalus slėgio pikas 200 BAR
Maksimalus srautas 16 l/min
Maksimalus sukimosi greitis 1950 aps./min
Minimalus sukimosi greitis 50 aps./min
Pagrindinio angos sriegio skersmuo 3/8 colio
Pagrindinio angos sriegio tipas G
Išleidimo angos sriegio skersmuo 1/8 colio
Išleidimo angos sriegio tipas G
L1Rotoriaus ilgis 3,5 mm
Maksimali galia 1,8 kW
LKorpuso ilgis 112,5 mm
Originalus numerio atitikmuo 151G0041
[]
Savybės
K130555
Garantija
Paslaugos teikimo sąlygos:
- Prekės, esančios tos pačios fizinės parduotuvės sandėlyje, bus paruoštos per 1-3 darbo dienas nuo užsakymo patvirtinimo.
- Prieš užsisakant prekę, perskaitykite specifikaciją ir kitą informaciją.
- Jei prekė yra skirtinguose sandėliuose, pristatymo laikas gali būti pratęstas iki 7 darbo dienų.
- Dėl išsamesnės prekių pristatymo informacijos teiraukitės info@perlitas.lt arba +370 37 298239. Grąžinimas, keitimas, pristatymas
- Šventinių dienų ir iškirtinių akcijų laikotarpiu (pvz.: Šv. Kalėdos, Black Friday) prekių pristatymas dėl didelio kurjerių užimtumo gali pailgėti 2-5 d. d.;
- Prekių pristatymas vykdomas darbo dienomis (I-V), 08:00 – 17:00 val.;
- Dieną prieš prekės pristatymą informuojama sms žinute apie prekės išsiuntimą, statuso pasikeitimą;
- Pristatymo dieną apie siuntos pristatymo laiką 1 val. tikslumu informuojama SMS žinute;
- Kai prekės bus išsiūstos iš Mūsų sandėlio, Jūs gausite siuntos sekimo numerį.
- Prekių nuotraukos, pakuotės spalva, komplektacija ir forma gali skirtis nuo realios prekės išvaizdos.
Prekių pristatymas Lietuvoje, Latvijoje, Estijoje.
Prekes galite atsiimti mūsų parduotuvėje Kaune adresu: Lakūnų pl. 81, Kaunas (Aleksotas)
Prekių pristatymas - Dalių
Paslaugos teikimo sąlygos:
- Prekės, esančios tos pačios fizinės parduotuvės sandėlyje, bus paruoštos per 1-3 darbo dienas nuo užsakymo patvirtinimo.
- Prieš užsisakant prekę, perskaitykite specifikaciją ir kitą informaciją.
- Jei prekė yra skirtinguose sandėliuose, pristatymo laikas gali būti pratęstas iki 7 darbo dienų.
- Dėl išsamesnės prekių pristatymo informacijos teiraukitės info@perlitas.lt arba +370 37 298239. Grąžinimas, keitimas, pristatymas
- Šventinių dienų ir iškirtinių akcijų laikotarpiu (pvz.: Šv. Kalėdos, Black Friday) prekių pristatymas dėl didelio kurjerių užimtumo gali pailgėti 2-5 d. d.;
- Prekių pristatymas vykdomas darbo dienomis (I-V), 08:00 – 17:00 val.;
- Dieną prieš prekės pristatymą informuojama sms žinute apie prekės išsiuntimą, statuso pasikeitimą;
- Pristatymo dieną apie siuntos pristatymo laiką 1 val. tikslumu informuojama SMS žinute;
- Kai prekės bus išsiūstos iš Mūsų sandėlio, Jūs gausite siuntos sekimo numerį.
- Prekių nuotraukos, pakuotės spalva, komplektacija ir forma gali skirtis nuo realios prekės išvaizdos.
Prekių pristatymas Lietuvoje, Latvijoje, Estijoje.
Prekes galite atsiimti mūsų parduotuvėje Kaune adresu: Lakūnų pl. 81, Kaunas (Aleksotas)
Prekių pristatymas - Technikos
Paslaugos teikimo sąlygos:
- Prekės, esančios tos pačios fizinės parduotuvės sandėlyje, bus paruoštos per 1-3 darbo dienas nuo užsakymo patvirtinimo.
- Prieš užsisakant prekę, perskaitykite specifikaciją ir kitą informaciją.
- Jei prekė yra skirtinguose sandėliuose, pristatymo laikas gali būti pratęstas iki 7 darbo dienų.
- Dėl išsamesnės prekių pristatymo informacijos teiraukitės info@perlitas.lt arba +370 37 298239. Grąžinimas, keitimas, pristatymas
- Šventinių dienų ir iškirtinių akcijų laikotarpiu (pvz.: Šv. Kalėdos, Black Friday) prekių pristatymas dėl didelio kurjerių užimtumo gali pailgėti 2-5 d. d.;
- Prekių pristatymas vykdomas darbo dienomis (I-V), 08:00 – 17:00 val.;
- Dieną prieš prekės pristatymą informuojama sms žinute apie prekės išsiuntimą, statuso pasikeitimą;
- Pristatymo dieną apie siuntos pristatymo laiką 1 val. tikslumu informuojama SMS žinute;
- Kai prekės bus išsiūstos iš Mūsų sandėlio, Jūs gausite siuntos sekimo numerį.
- Prekių nuotraukos, pakuotės spalva, komplektacija ir forma gali skirtis nuo realios prekės išvaizdos.
Prekių pristatymas Lietuvoje, Latvijoje, Estijoje.
Prekes galite atsiimti mūsų parduotuvėje Kaune adresu: Lakūnų pl. 81, Kaunas (Aleksotas)
Susijusios prekės
Parduotuvė Kaune
-
I-V: 08:00 – 17:00
VI: 10:00 – 14:00
VII: Nedirbame