Prekių katalogas
Slėgio mažinimo vožtuvas, kasetė CP2112B0AD
Prekės kodas: K128722
Pasiteirauti apie prekę
Slėgio mažinimo vožtuvas, kasetė CP2112B0AD
162,15 €
Užklausa nusiųsta
Pasistengsime Jums atsakyti kuo greičiau.
Slėgio mažinimo vožtuvas, kasetė CP2112B0AD
Prekės kodas: K128722
162,15 €
su PVM
Pristatymo būdai:
-
Atsiėmimas parduotuvėje
Lakūnų pl. 81, Kaunas
NEMOKAMAI -
Pristatymas į paštomatus
Į pasirinktą paštomatą Jūsų mieste
nuo 3.99€ -
Pristatymas kurjeriu
Į bet kurią Lietuvos vietą
nuo 5.99€
Prekės aprašymas
Dalies numerisCP2112B0AD
EAN
VienetasKiekvienas
Prekės ženklas„Danfoss“
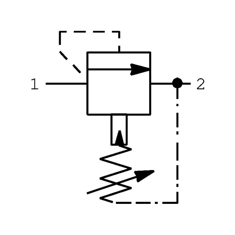
Išsamus aprašymasHidrauliniai apsauginiai vožtuvai (kasetės versija) yra kompaktiški, moduliniai komponentai, skirti slėgiui reguliuoti ir hidraulinėms sistemoms apsaugoti nuo per didelio slėgio susidarymo. Šie slėgio reguliavimo vožtuvų įdėklai yra suprojektuoti taip, kad sklandžiai tilptų į ertmę hidrauliniame kolektoriuje arba bloke, todėl jie yra neatsiejama ir erdvę taupanti sistemos dalis. Jų kompaktiškas dizainas kartu su galimybe apsaugoti svarbiausius komponentus užtikrina patikimą veikimą įvairiose srityse. Rodyti daugiau
PrivalumaiGreitas perjungimasNuolat perjungiamasGeros srauto ir slėgio charakteristikos
Produkto informacijaValdomas pilotuPerjungimai iš 1 į 2 prievadąRitininis tipasKaip siurblio ir variklio apsauga arba kaip smūginis vožtuvas esant vidutinio tūrio srautui ir vidutiniam slėgiui
ĮskaitantKasetę
ReguliavimasVidinis
Srauto greitis 190 l/min
Slėgis maks. 345 BAR
Sukimo momentas Nm115–122 N·m
Bendras ilgis82,3 mm
Slėgio diapazonas28–345 BAR
BSraigto ilgis45,7 mm
SandariklisUžsakymo nr.: su kodu CP 9-4.12.001
DydisCP12-2 coliai
Bendras ilgis82,3 mm
SW1Veržliarakčio dydis31,8 mm
[]
EAN
VienetasKiekvienas
Prekės ženklas„Danfoss“
Išsamus aprašymasHidrauliniai apsauginiai vožtuvai (kasetės versija) yra kompaktiški, moduliniai komponentai, skirti slėgiui reguliuoti ir hidraulinėms sistemoms apsaugoti nuo per didelio slėgio susidarymo. Šie slėgio reguliavimo vožtuvų įdėklai yra suprojektuoti taip, kad sklandžiai tilptų į ertmę hidrauliniame kolektoriuje arba bloke, todėl jie yra neatsiejama ir erdvę taupanti sistemos dalis. Jų kompaktiškas dizainas kartu su galimybe apsaugoti svarbiausius komponentus užtikrina patikimą veikimą įvairiose srityse. Rodyti daugiau
PrivalumaiGreitas perjungimasNuolat perjungiamasGeros srauto ir slėgio charakteristikos
Produkto informacijaValdomas pilotuPerjungimai iš 1 į 2 prievadąRitininis tipasKaip siurblio ir variklio apsauga arba kaip smūginis vožtuvas esant vidutinio tūrio srautui ir vidutiniam slėgiui
ĮskaitantKasetę
ReguliavimasVidinis
Srauto greitis 190 l/min
Slėgis maks. 345 BAR
Sukimo momentas Nm115–122 N·m
Bendras ilgis82,3 mm
Slėgio diapazonas28–345 BAR
BSraigto ilgis45,7 mm
SandariklisUžsakymo nr.: su kodu CP 9-4.12.001
DydisCP12-2 coliai
Bendras ilgis82,3 mm
SW1Veržliarakčio dydis31,8 mm
[]
Savybės
K128722
Garantija
Paslaugos teikimo sąlygos:
- Prekės, esančios tos pačios fizinės parduotuvės sandėlyje, bus paruoštos per 1-3 darbo dienas nuo užsakymo patvirtinimo.
- Prieš užsisakant prekę, perskaitykite specifikaciją ir kitą informaciją.
- Jei prekė yra skirtinguose sandėliuose, pristatymo laikas gali būti pratęstas iki 7 darbo dienų.
- Dėl išsamesnės prekių pristatymo informacijos teiraukitės info@perlitas.lt arba +370 37 298239. Grąžinimas, keitimas, pristatymas
- Šventinių dienų ir iškirtinių akcijų laikotarpiu (pvz.: Šv. Kalėdos, Black Friday) prekių pristatymas dėl didelio kurjerių užimtumo gali pailgėti 2-5 d. d.;
- Prekių pristatymas vykdomas darbo dienomis (I-V), 08:00 – 17:00 val.;
- Dieną prieš prekės pristatymą informuojama sms žinute apie prekės išsiuntimą, statuso pasikeitimą;
- Pristatymo dieną apie siuntos pristatymo laiką 1 val. tikslumu informuojama SMS žinute;
- Kai prekės bus išsiūstos iš Mūsų sandėlio, Jūs gausite siuntos sekimo numerį.
- Prekių nuotraukos, pakuotės spalva, komplektacija ir forma gali skirtis nuo realios prekės išvaizdos.
Prekių pristatymas Lietuvoje, Latvijoje, Estijoje.
Prekes galite atsiimti mūsų parduotuvėje Kaune adresu: Lakūnų pl. 81, Kaunas (Aleksotas)
Prekių pristatymas - Dalių
Paslaugos teikimo sąlygos:
- Prekės, esančios tos pačios fizinės parduotuvės sandėlyje, bus paruoštos per 1-3 darbo dienas nuo užsakymo patvirtinimo.
- Prieš užsisakant prekę, perskaitykite specifikaciją ir kitą informaciją.
- Jei prekė yra skirtinguose sandėliuose, pristatymo laikas gali būti pratęstas iki 7 darbo dienų.
- Dėl išsamesnės prekių pristatymo informacijos teiraukitės info@perlitas.lt arba +370 37 298239. Grąžinimas, keitimas, pristatymas
- Šventinių dienų ir iškirtinių akcijų laikotarpiu (pvz.: Šv. Kalėdos, Black Friday) prekių pristatymas dėl didelio kurjerių užimtumo gali pailgėti 2-5 d. d.;
- Prekių pristatymas vykdomas darbo dienomis (I-V), 08:00 – 17:00 val.;
- Dieną prieš prekės pristatymą informuojama sms žinute apie prekės išsiuntimą, statuso pasikeitimą;
- Pristatymo dieną apie siuntos pristatymo laiką 1 val. tikslumu informuojama SMS žinute;
- Kai prekės bus išsiūstos iš Mūsų sandėlio, Jūs gausite siuntos sekimo numerį.
- Prekių nuotraukos, pakuotės spalva, komplektacija ir forma gali skirtis nuo realios prekės išvaizdos.
Prekių pristatymas Lietuvoje, Latvijoje, Estijoje.
Prekes galite atsiimti mūsų parduotuvėje Kaune adresu: Lakūnų pl. 81, Kaunas (Aleksotas)
Prekių pristatymas - Technikos
Paslaugos teikimo sąlygos:
- Prekės, esančios tos pačios fizinės parduotuvės sandėlyje, bus paruoštos per 1-3 darbo dienas nuo užsakymo patvirtinimo.
- Prieš užsisakant prekę, perskaitykite specifikaciją ir kitą informaciją.
- Jei prekė yra skirtinguose sandėliuose, pristatymo laikas gali būti pratęstas iki 7 darbo dienų.
- Dėl išsamesnės prekių pristatymo informacijos teiraukitės info@perlitas.lt arba +370 37 298239. Grąžinimas, keitimas, pristatymas
- Šventinių dienų ir iškirtinių akcijų laikotarpiu (pvz.: Šv. Kalėdos, Black Friday) prekių pristatymas dėl didelio kurjerių užimtumo gali pailgėti 2-5 d. d.;
- Prekių pristatymas vykdomas darbo dienomis (I-V), 08:00 – 17:00 val.;
- Dieną prieš prekės pristatymą informuojama sms žinute apie prekės išsiuntimą, statuso pasikeitimą;
- Pristatymo dieną apie siuntos pristatymo laiką 1 val. tikslumu informuojama SMS žinute;
- Kai prekės bus išsiūstos iš Mūsų sandėlio, Jūs gausite siuntos sekimo numerį.
- Prekių nuotraukos, pakuotės spalva, komplektacija ir forma gali skirtis nuo realios prekės išvaizdos.
Prekių pristatymas Lietuvoje, Latvijoje, Estijoje.
Prekes galite atsiimti mūsų parduotuvėje Kaune adresu: Lakūnų pl. 81, Kaunas (Aleksotas)
Susijusios prekės
Parduotuvė Kaune
-
I-V: 08:00 – 17:00
VI: 10:00 – 14:00
VII: Nedirbame