Prekių katalogas
Atsvaros kasetė CB10HV1B1 CB10HV1B1E100B00
Prekės kodas: K128564
Pasiteirauti apie prekę
Atsvaros kasetė CB10HV1B1 CB10HV1B1E100B00
136,48 €
Užklausa nusiųsta
Pasistengsime Jums atsakyti kuo greičiau.
Atsvaros kasetė CB10HV1B1 CB10HV1B1E100B00
Prekės kodas: K128564
136,48 €
su PVM
Pristatymo būdai:
-
Atsiėmimas parduotuvėje
Lakūnų pl. 81, Kaunas
NEMOKAMAI -
Pristatymas į paštomatus
Į pasirinktą paštomatą Jūsų mieste
nuo 3.99€ -
Pristatymas kurjeriu
Į bet kurią Lietuvos vietą
nuo 5.99€
Prekės aprašymas
Dalies numerisCB10HV1B1E100B00
EAN
VienetasKiekvienas
Prekės ženklasDanfoss
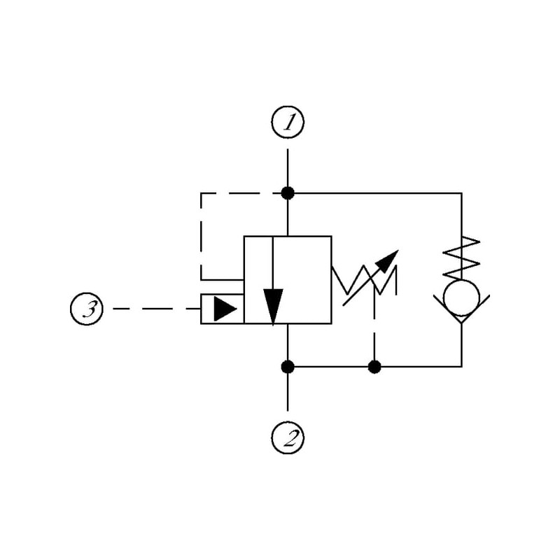
Ilgas aprašymasIšlyginimo vožtuvai arba stabdžių vožtuvai užtikrina kontroliuojamą judėjimą, krovinių stabdymą ir laikymą. Jie apsaugo nuo judesių vėlavimo (neigiama apkrova) ir apsaugo įrenginį nuo išorinių jėgų (apsauga nuo smūgių). Viršutiniai vožtuvai užtikrina kontroliuojamą judesio pradžią ir sustabdymą, tuo pačiu metu laikant krovinį ramybės būsenoje. Kai montuojami tiesiai ant cilindro arba variklio, jie taip pat veikia kaip žarnos plyšimo apsauga. Rodyti daugiau
PrivalumaiUžtikrina švelnius, kontroliuojamus judesius Apsauga nuo žarnos plyšimo Apsaugo nuo slėgio šuolių, kuriuos sukelia išorinės jėgos Apsaugo nuo vėlavimo, kurį sukelia neigiamos apkrovos Apsaugo vartotoją nuo kavitacijos
Produkto informacijaHV: Hidrauliškai atleidžiama spyruoklinė kamera; A, B ir T turi būti sujungti vienas su kitu neutralioje padėtyje Slėgio nustatymas turi būti maždaug. 30 % didesnis nei maksimalus apkrovos slėgis. Didelis grįžtamasis slėgis gali pakenkti vožtuvo veikimui. Linijos montavimas kuo arčiau vartotojo. Laisvas srautas nuo 2 iki 1. Atidarymo slėgis priklauso nuo slėgio nustatymo, apkrovos slėgio ir valdymo slėgio santykio.
Įskaitant: Kasetę. Be korpuso.
Sukurta kaip saugos komponentas, kai vienpusio arba dvipusio veikimo sistemose cilindrai arba varikliai turi likti fiksuoti bet kurioje pageidaujamoje padėtyje. Išorinės jėgos negali paveikti padėties.
Srautas 60 l/min.
Slėgis maks. 350 BAR.
Atidarymo slėgio spyruoklė (barais). 1.
Pastaba. Stabilus, tylus ir tikslus veikimas. Nustatyta vertė visada turi būti 30 % didesnė nei maksimalus apkrovos slėgis.
Bandomojo vožtuvo santykis 1:4,5.
Slėgio diapazonas 55–180 BAR.
Sandariklis. Užsakymo nr.: su kodu CP 9-4.10.006.
Dydis: SDC 10-3S colis.
[]
EAN
VienetasKiekvienas
Prekės ženklasDanfoss
Ilgas aprašymasIšlyginimo vožtuvai arba stabdžių vožtuvai užtikrina kontroliuojamą judėjimą, krovinių stabdymą ir laikymą. Jie apsaugo nuo judesių vėlavimo (neigiama apkrova) ir apsaugo įrenginį nuo išorinių jėgų (apsauga nuo smūgių). Viršutiniai vožtuvai užtikrina kontroliuojamą judesio pradžią ir sustabdymą, tuo pačiu metu laikant krovinį ramybės būsenoje. Kai montuojami tiesiai ant cilindro arba variklio, jie taip pat veikia kaip žarnos plyšimo apsauga. Rodyti daugiau
PrivalumaiUžtikrina švelnius, kontroliuojamus judesius Apsauga nuo žarnos plyšimo Apsaugo nuo slėgio šuolių, kuriuos sukelia išorinės jėgos Apsaugo nuo vėlavimo, kurį sukelia neigiamos apkrovos Apsaugo vartotoją nuo kavitacijos
Produkto informacijaHV: Hidrauliškai atleidžiama spyruoklinė kamera; A, B ir T turi būti sujungti vienas su kitu neutralioje padėtyje Slėgio nustatymas turi būti maždaug. 30 % didesnis nei maksimalus apkrovos slėgis. Didelis grįžtamasis slėgis gali pakenkti vožtuvo veikimui. Linijos montavimas kuo arčiau vartotojo. Laisvas srautas nuo 2 iki 1. Atidarymo slėgis priklauso nuo slėgio nustatymo, apkrovos slėgio ir valdymo slėgio santykio.
Įskaitant: Kasetę. Be korpuso.
Sukurta kaip saugos komponentas, kai vienpusio arba dvipusio veikimo sistemose cilindrai arba varikliai turi likti fiksuoti bet kurioje pageidaujamoje padėtyje. Išorinės jėgos negali paveikti padėties.
Srautas 60 l/min.
Slėgis maks. 350 BAR.
Atidarymo slėgio spyruoklė (barais). 1.
Pastaba. Stabilus, tylus ir tikslus veikimas. Nustatyta vertė visada turi būti 30 % didesnė nei maksimalus apkrovos slėgis.
Bandomojo vožtuvo santykis 1:4,5.
Slėgio diapazonas 55–180 BAR.
Sandariklis. Užsakymo nr.: su kodu CP 9-4.10.006.
Dydis: SDC 10-3S colis.
[]
Savybės
K128564
Garantija
Paslaugos teikimo sąlygos:
- Prekės, esančios tos pačios fizinės parduotuvės sandėlyje, bus paruoštos per 1-3 darbo dienas nuo užsakymo patvirtinimo.
- Prieš užsisakant prekę, perskaitykite specifikaciją ir kitą informaciją.
- Jei prekė yra skirtinguose sandėliuose, pristatymo laikas gali būti pratęstas iki 7 darbo dienų.
- Dėl išsamesnės prekių pristatymo informacijos teiraukitės info@perlitas.lt arba +370 37 298239. Grąžinimas, keitimas, pristatymas
- Šventinių dienų ir iškirtinių akcijų laikotarpiu (pvz.: Šv. Kalėdos, Black Friday) prekių pristatymas dėl didelio kurjerių užimtumo gali pailgėti 2-5 d. d.;
- Prekių pristatymas vykdomas darbo dienomis (I-V), 08:00 – 17:00 val.;
- Dieną prieš prekės pristatymą informuojama sms žinute apie prekės išsiuntimą, statuso pasikeitimą;
- Pristatymo dieną apie siuntos pristatymo laiką 1 val. tikslumu informuojama SMS žinute;
- Kai prekės bus išsiūstos iš Mūsų sandėlio, Jūs gausite siuntos sekimo numerį.
- Prekių nuotraukos, pakuotės spalva, komplektacija ir forma gali skirtis nuo realios prekės išvaizdos.
Prekių pristatymas Lietuvoje, Latvijoje, Estijoje.
Prekes galite atsiimti mūsų parduotuvėje Kaune adresu: Lakūnų pl. 81, Kaunas (Aleksotas)
Prekių pristatymas - Dalių
Paslaugos teikimo sąlygos:
- Prekės, esančios tos pačios fizinės parduotuvės sandėlyje, bus paruoštos per 1-3 darbo dienas nuo užsakymo patvirtinimo.
- Prieš užsisakant prekę, perskaitykite specifikaciją ir kitą informaciją.
- Jei prekė yra skirtinguose sandėliuose, pristatymo laikas gali būti pratęstas iki 7 darbo dienų.
- Dėl išsamesnės prekių pristatymo informacijos teiraukitės info@perlitas.lt arba +370 37 298239. Grąžinimas, keitimas, pristatymas
- Šventinių dienų ir iškirtinių akcijų laikotarpiu (pvz.: Šv. Kalėdos, Black Friday) prekių pristatymas dėl didelio kurjerių užimtumo gali pailgėti 2-5 d. d.;
- Prekių pristatymas vykdomas darbo dienomis (I-V), 08:00 – 17:00 val.;
- Dieną prieš prekės pristatymą informuojama sms žinute apie prekės išsiuntimą, statuso pasikeitimą;
- Pristatymo dieną apie siuntos pristatymo laiką 1 val. tikslumu informuojama SMS žinute;
- Kai prekės bus išsiūstos iš Mūsų sandėlio, Jūs gausite siuntos sekimo numerį.
- Prekių nuotraukos, pakuotės spalva, komplektacija ir forma gali skirtis nuo realios prekės išvaizdos.
Prekių pristatymas Lietuvoje, Latvijoje, Estijoje.
Prekes galite atsiimti mūsų parduotuvėje Kaune adresu: Lakūnų pl. 81, Kaunas (Aleksotas)
Prekių pristatymas - Technikos
Paslaugos teikimo sąlygos:
- Prekės, esančios tos pačios fizinės parduotuvės sandėlyje, bus paruoštos per 1-3 darbo dienas nuo užsakymo patvirtinimo.
- Prieš užsisakant prekę, perskaitykite specifikaciją ir kitą informaciją.
- Jei prekė yra skirtinguose sandėliuose, pristatymo laikas gali būti pratęstas iki 7 darbo dienų.
- Dėl išsamesnės prekių pristatymo informacijos teiraukitės info@perlitas.lt arba +370 37 298239. Grąžinimas, keitimas, pristatymas
- Šventinių dienų ir iškirtinių akcijų laikotarpiu (pvz.: Šv. Kalėdos, Black Friday) prekių pristatymas dėl didelio kurjerių užimtumo gali pailgėti 2-5 d. d.;
- Prekių pristatymas vykdomas darbo dienomis (I-V), 08:00 – 17:00 val.;
- Dieną prieš prekės pristatymą informuojama sms žinute apie prekės išsiuntimą, statuso pasikeitimą;
- Pristatymo dieną apie siuntos pristatymo laiką 1 val. tikslumu informuojama SMS žinute;
- Kai prekės bus išsiūstos iš Mūsų sandėlio, Jūs gausite siuntos sekimo numerį.
- Prekių nuotraukos, pakuotės spalva, komplektacija ir forma gali skirtis nuo realios prekės išvaizdos.
Prekių pristatymas Lietuvoje, Latvijoje, Estijoje.
Prekes galite atsiimti mūsų parduotuvėje Kaune adresu: Lakūnų pl. 81, Kaunas (Aleksotas)
Susijusios prekės
Parduotuvė Kaune
-
I-V: 08:00 – 17:00
VI: 10:00 – 14:00
VII: Nedirbame