Prekių katalogas
Atleidimo vožtuvas 10 A 08 S C 1/2"BSP VAIL10001
Prekės kodas: K127661
Pasiteirauti apie prekę
Atleidimo vožtuvas 10 A 08 S C 1/2"BSP VAIL10001
147,67 €
Užklausa nusiųsta
Pasistengsime Jums atsakyti kuo greičiau.
Atleidimo vožtuvas 10 A 08 S C 1/2"BSP VAIL10001
Prekės kodas: K127661
147,67 €
su PVM
Pristatymo būdai:
-
Atsiėmimas parduotuvėje
Lakūnų pl. 81, Kaunas
NEMOKAMAI -
Pristatymas į paštomatus
Į pasirinktą paštomatą Jūsų mieste
nuo 3.99€ -
Pristatymas kurjeriu
Į bet kurią Lietuvos vietą
nuo 5.99€
Prekės aprašymas
Dalies numerisVAIL10001
EAN
VienetasKiekvienas
Prekės ženklasWalvoil
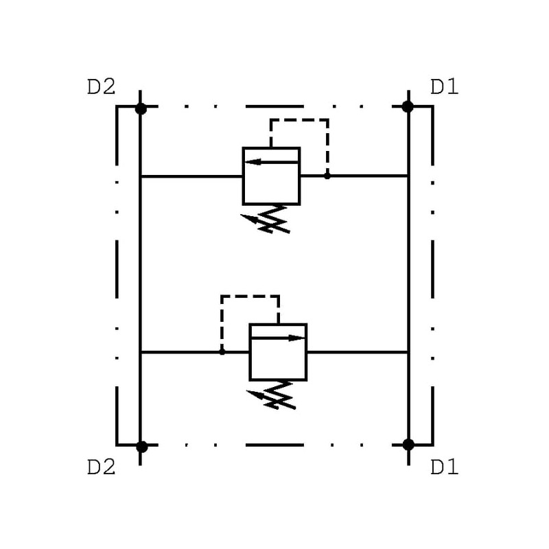
Taikymo sritisDidelio slėgio ir vidutinio tūrio srautasNaudojamas kaip hidraulinio variklio su atskira slėgio verte amortizacinis vožtuvasApsaugo hidraulinius variklius nuo slėgio šuolių, reaguojant į išorines jėgas, kurios gali atsirasti dėl staigaus sustojimo arba sukimosi krypties pasikeitimo
SavybėsTipas: spyruoklinis vožtuvas, tiesioginis valdymasAtidaro iš D1 į D2 arba atvirkščiaiPertraukiamai greito reagavimo grandinė
Techninė informacijaSiekiant geriausio įmanomo našumo, šis vožtuvas turėtų būti kuo arčiau vartotojo
Maks. Srauto greitis 70 l/min
Maksimalus darbinis slėgis 210 BAR
Reguliuojamas slėgio diapazonas 50–220 BAR
Reguliavimo tipas Lizdinis varžtas
Jungties tipas Sriegis
Jungties sriegio tipas Colių
Jungties sriegio skersmuo 1/2 colio
Tipas Spyruoklinis vožtuvas
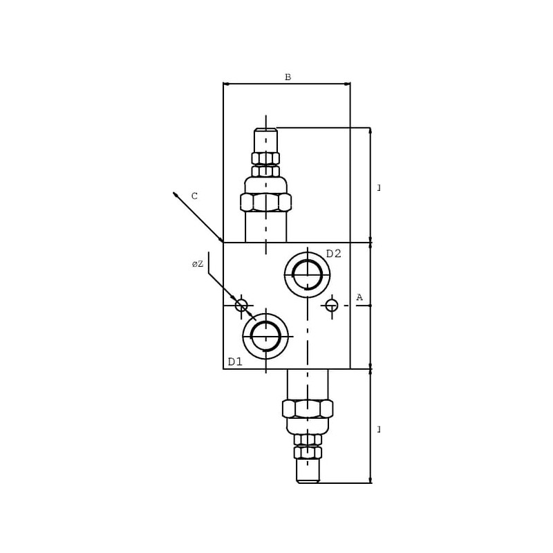
B Korpuso ilgis 82 mm
C Korpuso plotis 40 mm
A Korpuso aukštis 90 mm
J Kasetės ilgis 67 mm
Z Tvirtinimo angų skersmuo 8,5 mm
[]
EAN
VienetasKiekvienas
Prekės ženklasWalvoil
Taikymo sritisDidelio slėgio ir vidutinio tūrio srautasNaudojamas kaip hidraulinio variklio su atskira slėgio verte amortizacinis vožtuvasApsaugo hidraulinius variklius nuo slėgio šuolių, reaguojant į išorines jėgas, kurios gali atsirasti dėl staigaus sustojimo arba sukimosi krypties pasikeitimo
SavybėsTipas: spyruoklinis vožtuvas, tiesioginis valdymasAtidaro iš D1 į D2 arba atvirkščiaiPertraukiamai greito reagavimo grandinė
Techninė informacijaSiekiant geriausio įmanomo našumo, šis vožtuvas turėtų būti kuo arčiau vartotojo
Maks. Srauto greitis 70 l/min
Maksimalus darbinis slėgis 210 BAR
Reguliuojamas slėgio diapazonas 50–220 BAR
Reguliavimo tipas Lizdinis varžtas
Jungties tipas Sriegis
Jungties sriegio tipas Colių
Jungties sriegio skersmuo 1/2 colio
Tipas Spyruoklinis vožtuvas
B Korpuso ilgis 82 mm
C Korpuso plotis 40 mm
A Korpuso aukštis 90 mm
J Kasetės ilgis 67 mm
Z Tvirtinimo angų skersmuo 8,5 mm
[]
Savybės
K127661
Garantija
Paslaugos teikimo sąlygos:
- Prekės, esančios tos pačios fizinės parduotuvės sandėlyje, bus paruoštos per 1-3 darbo dienas nuo užsakymo patvirtinimo.
- Prieš užsisakant prekę, perskaitykite specifikaciją ir kitą informaciją.
- Jei prekė yra skirtinguose sandėliuose, pristatymo laikas gali būti pratęstas iki 7 darbo dienų.
- Dėl išsamesnės prekių pristatymo informacijos teiraukitės info@perlitas.lt arba +370 37 298239. Grąžinimas, keitimas, pristatymas
- Šventinių dienų ir iškirtinių akcijų laikotarpiu (pvz.: Šv. Kalėdos, Black Friday) prekių pristatymas dėl didelio kurjerių užimtumo gali pailgėti 2-5 d. d.;
- Prekių pristatymas vykdomas darbo dienomis (I-V), 08:00 – 17:00 val.;
- Dieną prieš prekės pristatymą informuojama sms žinute apie prekės išsiuntimą, statuso pasikeitimą;
- Pristatymo dieną apie siuntos pristatymo laiką 1 val. tikslumu informuojama SMS žinute;
- Kai prekės bus išsiūstos iš Mūsų sandėlio, Jūs gausite siuntos sekimo numerį.
- Prekių nuotraukos, pakuotės spalva, komplektacija ir forma gali skirtis nuo realios prekės išvaizdos.
Prekių pristatymas Lietuvoje, Latvijoje, Estijoje.
Prekes galite atsiimti mūsų parduotuvėje Kaune adresu: Lakūnų pl. 81, Kaunas (Aleksotas)
Prekių pristatymas - Dalių
Paslaugos teikimo sąlygos:
- Prekės, esančios tos pačios fizinės parduotuvės sandėlyje, bus paruoštos per 1-3 darbo dienas nuo užsakymo patvirtinimo.
- Prieš užsisakant prekę, perskaitykite specifikaciją ir kitą informaciją.
- Jei prekė yra skirtinguose sandėliuose, pristatymo laikas gali būti pratęstas iki 7 darbo dienų.
- Dėl išsamesnės prekių pristatymo informacijos teiraukitės info@perlitas.lt arba +370 37 298239. Grąžinimas, keitimas, pristatymas
- Šventinių dienų ir iškirtinių akcijų laikotarpiu (pvz.: Šv. Kalėdos, Black Friday) prekių pristatymas dėl didelio kurjerių užimtumo gali pailgėti 2-5 d. d.;
- Prekių pristatymas vykdomas darbo dienomis (I-V), 08:00 – 17:00 val.;
- Dieną prieš prekės pristatymą informuojama sms žinute apie prekės išsiuntimą, statuso pasikeitimą;
- Pristatymo dieną apie siuntos pristatymo laiką 1 val. tikslumu informuojama SMS žinute;
- Kai prekės bus išsiūstos iš Mūsų sandėlio, Jūs gausite siuntos sekimo numerį.
- Prekių nuotraukos, pakuotės spalva, komplektacija ir forma gali skirtis nuo realios prekės išvaizdos.
Prekių pristatymas Lietuvoje, Latvijoje, Estijoje.
Prekes galite atsiimti mūsų parduotuvėje Kaune adresu: Lakūnų pl. 81, Kaunas (Aleksotas)
Prekių pristatymas - Technikos
Paslaugos teikimo sąlygos:
- Prekės, esančios tos pačios fizinės parduotuvės sandėlyje, bus paruoštos per 1-3 darbo dienas nuo užsakymo patvirtinimo.
- Prieš užsisakant prekę, perskaitykite specifikaciją ir kitą informaciją.
- Jei prekė yra skirtinguose sandėliuose, pristatymo laikas gali būti pratęstas iki 7 darbo dienų.
- Dėl išsamesnės prekių pristatymo informacijos teiraukitės info@perlitas.lt arba +370 37 298239. Grąžinimas, keitimas, pristatymas
- Šventinių dienų ir iškirtinių akcijų laikotarpiu (pvz.: Šv. Kalėdos, Black Friday) prekių pristatymas dėl didelio kurjerių užimtumo gali pailgėti 2-5 d. d.;
- Prekių pristatymas vykdomas darbo dienomis (I-V), 08:00 – 17:00 val.;
- Dieną prieš prekės pristatymą informuojama sms žinute apie prekės išsiuntimą, statuso pasikeitimą;
- Pristatymo dieną apie siuntos pristatymo laiką 1 val. tikslumu informuojama SMS žinute;
- Kai prekės bus išsiūstos iš Mūsų sandėlio, Jūs gausite siuntos sekimo numerį.
- Prekių nuotraukos, pakuotės spalva, komplektacija ir forma gali skirtis nuo realios prekės išvaizdos.
Prekių pristatymas Lietuvoje, Latvijoje, Estijoje.
Prekes galite atsiimti mūsų parduotuvėje Kaune adresu: Lakūnų pl. 81, Kaunas (Aleksotas)
Susijusios prekės
Parduotuvė Kaune
-
I-V: 08:00 – 17:00
VI: 10:00 – 14:00
VII: Nedirbame