Prekių katalogas
Mova 20S R3/4 GES20SR34WD
Prekės kodas: K113014
Pasiteirauti apie prekę
Mova 20S R3/4 GES20SR34WD
6,46 €
Užklausa nusiųsta
Pasistengsime Jums atsakyti kuo greičiau.
Mova 20S R3/4 GES20SR34WD
Prekės kodas: K113014
6,46 €
su PVM
Pristatymo būdai:
-
Atsiėmimas parduotuvėje
Lakūnų pl. 81, Kaunas
NEMOKAMAI -
Pristatymas į paštomatus
Į pasirinktą paštomatą Jūsų mieste
nuo 3.99€ -
Pristatymas kurjeriu
Į bet kurią Lietuvos vietą
nuo 5.99€
Prekės aprašymas
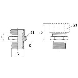
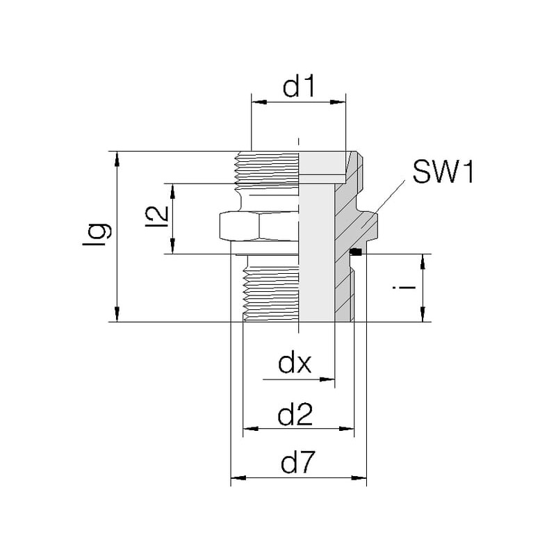
Dalies numerisGES20SR34WD
EAN8716106966936
VienetasKiekvienas
Prekės ženklasVoss
PrivalumaiSumažinta nuotėkio rizika
Produkto informacijaJungiamasi tiesiai prie metrinės žarnos jungties arba iš anksto surinktos jungties-Kelių sluoksnių atsparumas korozijai-Hidraulinė žarnaHidrauliniai vamzdžiai-Nenaudoti 4 sluoksnių žarnai HDR (4SP)
FormaTiesi
1 jungties tipasPjovimo žiedas
1 jungties tipas - vyriškas/moteriškasVyriškas
Nuoseklioji jungtis 120S
G1 jungties skersmuo20 mm
G1 jungties sriegio skersmuoM30
i1 jungties sriegio ilgis16 mm
G1 jungties sriegio žingsnis2,00 mm
G1 jungties sriegio tipasMetrinis
SW11 jungties veržliarakčio dydis32,0 mm
L21 jungtisAtstumas nuo centro iki galo42 mm
2 jungtis, tipasPjovimo žiedas
2 jungtis, tipas - išorinis/apatinisVyriškas
d22 jungtis, sriegio skersmuo3/4 colio
2 jungtis, sriegių skaičius colyje14
2 jungtis, sriegio tipasBSP
S22 jungtis, veržliarakčio dydis36,0 mm
L2 jungtis, atstumas nuo centro iki galo20,5 mm
DIN standartas2353 228 3852 2401
ISO standartas228
dxVidinis skersmuo16 mm
Korpuso aukštis47 mm
Paviršiaus apdorojimasCinkasNikelis
Maksimalus darbinis slėgis420 BAR
Sandarinimo medžiagaNitrilo kaučiukas [NBR]
Maksimalus priveržimo sukimo momentas200 N·m
[]
EAN8716106966936
VienetasKiekvienas
Prekės ženklasVoss
PrivalumaiSumažinta nuotėkio rizika
Produkto informacijaJungiamasi tiesiai prie metrinės žarnos jungties arba iš anksto surinktos jungties-Kelių sluoksnių atsparumas korozijai-Hidraulinė žarnaHidrauliniai vamzdžiai-Nenaudoti 4 sluoksnių žarnai HDR (4SP)
FormaTiesi
1 jungties tipasPjovimo žiedas
1 jungties tipas - vyriškas/moteriškasVyriškas
Nuoseklioji jungtis 120S
G1 jungties skersmuo20 mm
G1 jungties sriegio skersmuoM30
i1 jungties sriegio ilgis16 mm
G1 jungties sriegio žingsnis2,00 mm
G1 jungties sriegio tipasMetrinis
SW11 jungties veržliarakčio dydis32,0 mm
L21 jungtisAtstumas nuo centro iki galo42 mm
2 jungtis, tipasPjovimo žiedas
2 jungtis, tipas - išorinis/apatinisVyriškas
d22 jungtis, sriegio skersmuo3/4 colio
2 jungtis, sriegių skaičius colyje14
2 jungtis, sriegio tipasBSP
S22 jungtis, veržliarakčio dydis36,0 mm
L2 jungtis, atstumas nuo centro iki galo20,5 mm
DIN standartas2353 228 3852 2401
ISO standartas228
dxVidinis skersmuo16 mm
Korpuso aukštis47 mm
Paviršiaus apdorojimasCinkasNikelis
Maksimalus darbinis slėgis420 BAR
Sandarinimo medžiagaNitrilo kaučiukas [NBR]
Maksimalus priveržimo sukimo momentas200 N·m
[]
Savybės
K113014
Garantija
Paslaugos teikimo sąlygos:
- Prekės, esančios tos pačios fizinės parduotuvės sandėlyje, bus paruoštos per 1-3 darbo dienas nuo užsakymo patvirtinimo.
- Prieš užsisakant prekę, perskaitykite specifikaciją ir kitą informaciją.
- Jei prekė yra skirtinguose sandėliuose, pristatymo laikas gali būti pratęstas iki 7 darbo dienų.
- Dėl išsamesnės prekių pristatymo informacijos teiraukitės info@perlitas.lt arba +370 37 298239. Grąžinimas, keitimas, pristatymas
- Šventinių dienų ir iškirtinių akcijų laikotarpiu (pvz.: Šv. Kalėdos, Black Friday) prekių pristatymas dėl didelio kurjerių užimtumo gali pailgėti 2-5 d. d.;
- Prekių pristatymas vykdomas darbo dienomis (I-V), 08:00 – 17:00 val.;
- Dieną prieš prekės pristatymą informuojama sms žinute apie prekės išsiuntimą, statuso pasikeitimą;
- Pristatymo dieną apie siuntos pristatymo laiką 1 val. tikslumu informuojama SMS žinute;
- Kai prekės bus išsiūstos iš Mūsų sandėlio, Jūs gausite siuntos sekimo numerį.
- Prekių nuotraukos, pakuotės spalva, komplektacija ir forma gali skirtis nuo realios prekės išvaizdos.
Prekių pristatymas Lietuvoje, Latvijoje, Estijoje.
Prekes galite atsiimti mūsų parduotuvėje Kaune adresu: Lakūnų pl. 81, Kaunas (Aleksotas)
Prekių pristatymas - Dalių
Paslaugos teikimo sąlygos:
- Prekės, esančios tos pačios fizinės parduotuvės sandėlyje, bus paruoštos per 1-3 darbo dienas nuo užsakymo patvirtinimo.
- Prieš užsisakant prekę, perskaitykite specifikaciją ir kitą informaciją.
- Jei prekė yra skirtinguose sandėliuose, pristatymo laikas gali būti pratęstas iki 7 darbo dienų.
- Dėl išsamesnės prekių pristatymo informacijos teiraukitės info@perlitas.lt arba +370 37 298239. Grąžinimas, keitimas, pristatymas
- Šventinių dienų ir iškirtinių akcijų laikotarpiu (pvz.: Šv. Kalėdos, Black Friday) prekių pristatymas dėl didelio kurjerių užimtumo gali pailgėti 2-5 d. d.;
- Prekių pristatymas vykdomas darbo dienomis (I-V), 08:00 – 17:00 val.;
- Dieną prieš prekės pristatymą informuojama sms žinute apie prekės išsiuntimą, statuso pasikeitimą;
- Pristatymo dieną apie siuntos pristatymo laiką 1 val. tikslumu informuojama SMS žinute;
- Kai prekės bus išsiūstos iš Mūsų sandėlio, Jūs gausite siuntos sekimo numerį.
- Prekių nuotraukos, pakuotės spalva, komplektacija ir forma gali skirtis nuo realios prekės išvaizdos.
Prekių pristatymas Lietuvoje, Latvijoje, Estijoje.
Prekes galite atsiimti mūsų parduotuvėje Kaune adresu: Lakūnų pl. 81, Kaunas (Aleksotas)
Prekių pristatymas - Technikos
Paslaugos teikimo sąlygos:
- Prekės, esančios tos pačios fizinės parduotuvės sandėlyje, bus paruoštos per 1-3 darbo dienas nuo užsakymo patvirtinimo.
- Prieš užsisakant prekę, perskaitykite specifikaciją ir kitą informaciją.
- Jei prekė yra skirtinguose sandėliuose, pristatymo laikas gali būti pratęstas iki 7 darbo dienų.
- Dėl išsamesnės prekių pristatymo informacijos teiraukitės info@perlitas.lt arba +370 37 298239. Grąžinimas, keitimas, pristatymas
- Šventinių dienų ir iškirtinių akcijų laikotarpiu (pvz.: Šv. Kalėdos, Black Friday) prekių pristatymas dėl didelio kurjerių užimtumo gali pailgėti 2-5 d. d.;
- Prekių pristatymas vykdomas darbo dienomis (I-V), 08:00 – 17:00 val.;
- Dieną prieš prekės pristatymą informuojama sms žinute apie prekės išsiuntimą, statuso pasikeitimą;
- Pristatymo dieną apie siuntos pristatymo laiką 1 val. tikslumu informuojama SMS žinute;
- Kai prekės bus išsiūstos iš Mūsų sandėlio, Jūs gausite siuntos sekimo numerį.
- Prekių nuotraukos, pakuotės spalva, komplektacija ir forma gali skirtis nuo realios prekės išvaizdos.
Prekių pristatymas Lietuvoje, Latvijoje, Estijoje.
Prekes galite atsiimti mūsų parduotuvėje Kaune adresu: Lakūnų pl. 81, Kaunas (Aleksotas)
Susijusios prekės
Parduotuvė Kaune
-
I-V: 08:00 – 17:00
VI: 10:00 – 14:00
VII: Nedirbame