Prekių katalogas
90° alkūnė ORFS 13/16 - M18 KIOM1318
Prekės kodas: K111339
Pasiteirauti apie prekę
90° alkūnė ORFS 13/16 - M18 KIOM1318
19,02 €
Užklausa nusiųsta
Pasistengsime Jums atsakyti kuo greičiau.
90° alkūnė ORFS 13/16 - M18 KIOM1318
Prekės kodas: K111339
19,02 €
su PVM
Pristatymo būdai:
-
Atsiėmimas parduotuvėje
Lakūnų pl. 81, Kaunas
NEMOKAMAI -
Pristatymas į paštomatus
Į pasirinktą paštomatą Jūsų mieste
nuo 3.99€ -
Pristatymas kurjeriu
Į bet kurią Lietuvos vietą
nuo 5.99€
Prekės aprašymas
Dalies numerisKIOM1318
EAN
VienetasKiekvienas
Prekės ženklasAlfagomma
Išsamus aprašymasORFS jungtys idealiai tinka aukšto slėgio sistemoms, daugiausia naudojamos JAV gaminiuose. O formos žiedo formos sandarikliai užtikrina patikimą, sandarų jungtį, pasižymi daugkartinio naudojimo konstrukcija ir lengvu surinkimu, todėl žymiai sutrumpėja montavimo ir priežiūros laikas.
PrivalumaiDidelis priveržimo momentasDaugkartinio naudojimo
Produkto informacijaO žiedo formos sandarinimo žiedasO žiedas įduboje ant nipelio jungties paviršiaus Standartas: SAE I 1453 Medžiaga: PlienasPaviršiaus apdorojimas: CinkuotasVitono sandariklis prieinamas pagal pageidavimą
FormaAlkūnė 90°
1 jungties tipasSriegis
1 jungties tipas - vyriškas/moteriškasVyriškas
Nuoseklioji jungtis 1n/a
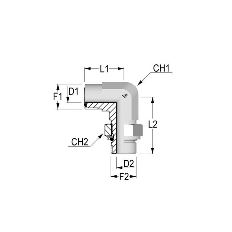
F11 jungties sriegio skersmuo13/16 colio
1 jungties sriegių skaičius colyje16
1 jungties sriegio tipasORFS
CH11 jungties veržliarakčio dydis19,0 mm
L11 jungties atstumas nuo centro iki galo28 mm
2 jungtis, tipasSriegis
2 jungtis, tipas - vyriškas/moteriškasVyriškas
F22 jungtis, sriegio skersmuoM18
2 jungtis, sriegio žingsnis 1,50 mm
2 jungtis, sriegio tipasMetrinis
CH22 jungtis, veržliarakčio dydis 24,0 mm
L22 jungtis, atstumas nuo centro iki galo 41 mm
MedžiagaPlienas
Darbinis slėgis 315 BAR
[]
EAN
VienetasKiekvienas
Prekės ženklasAlfagomma
Išsamus aprašymasORFS jungtys idealiai tinka aukšto slėgio sistemoms, daugiausia naudojamos JAV gaminiuose. O formos žiedo formos sandarikliai užtikrina patikimą, sandarų jungtį, pasižymi daugkartinio naudojimo konstrukcija ir lengvu surinkimu, todėl žymiai sutrumpėja montavimo ir priežiūros laikas.
PrivalumaiDidelis priveržimo momentasDaugkartinio naudojimo
Produkto informacijaO žiedo formos sandarinimo žiedasO žiedas įduboje ant nipelio jungties paviršiaus Standartas: SAE I 1453 Medžiaga: PlienasPaviršiaus apdorojimas: CinkuotasVitono sandariklis prieinamas pagal pageidavimą
FormaAlkūnė 90°
1 jungties tipasSriegis
1 jungties tipas - vyriškas/moteriškasVyriškas
Nuoseklioji jungtis 1n/a
F11 jungties sriegio skersmuo13/16 colio
1 jungties sriegių skaičius colyje16
1 jungties sriegio tipasORFS
CH11 jungties veržliarakčio dydis19,0 mm
L11 jungties atstumas nuo centro iki galo28 mm
2 jungtis, tipasSriegis
2 jungtis, tipas - vyriškas/moteriškasVyriškas
F22 jungtis, sriegio skersmuoM18
2 jungtis, sriegio žingsnis 1,50 mm
2 jungtis, sriegio tipasMetrinis
CH22 jungtis, veržliarakčio dydis 24,0 mm
L22 jungtis, atstumas nuo centro iki galo 41 mm
MedžiagaPlienas
Darbinis slėgis 315 BAR
[]
Savybės
K111339
Garantija
Paslaugos teikimo sąlygos:
- Prekės, esančios tos pačios fizinės parduotuvės sandėlyje, bus paruoštos per 1-3 darbo dienas nuo užsakymo patvirtinimo.
- Prieš užsisakant prekę, perskaitykite specifikaciją ir kitą informaciją.
- Jei prekė yra skirtinguose sandėliuose, pristatymo laikas gali būti pratęstas iki 7 darbo dienų.
- Dėl išsamesnės prekių pristatymo informacijos teiraukitės info@perlitas.lt arba +370 37 298239. Grąžinimas, keitimas, pristatymas
- Šventinių dienų ir iškirtinių akcijų laikotarpiu (pvz.: Šv. Kalėdos, Black Friday) prekių pristatymas dėl didelio kurjerių užimtumo gali pailgėti 2-5 d. d.;
- Prekių pristatymas vykdomas darbo dienomis (I-V), 08:00 – 17:00 val.;
- Dieną prieš prekės pristatymą informuojama sms žinute apie prekės išsiuntimą, statuso pasikeitimą;
- Pristatymo dieną apie siuntos pristatymo laiką 1 val. tikslumu informuojama SMS žinute;
- Kai prekės bus išsiūstos iš Mūsų sandėlio, Jūs gausite siuntos sekimo numerį.
- Prekių nuotraukos, pakuotės spalva, komplektacija ir forma gali skirtis nuo realios prekės išvaizdos.
Prekių pristatymas Lietuvoje, Latvijoje, Estijoje.
Prekes galite atsiimti mūsų parduotuvėje Kaune adresu: Lakūnų pl. 81, Kaunas (Aleksotas)
Prekių pristatymas - Dalių
Paslaugos teikimo sąlygos:
- Prekės, esančios tos pačios fizinės parduotuvės sandėlyje, bus paruoštos per 1-3 darbo dienas nuo užsakymo patvirtinimo.
- Prieš užsisakant prekę, perskaitykite specifikaciją ir kitą informaciją.
- Jei prekė yra skirtinguose sandėliuose, pristatymo laikas gali būti pratęstas iki 7 darbo dienų.
- Dėl išsamesnės prekių pristatymo informacijos teiraukitės info@perlitas.lt arba +370 37 298239. Grąžinimas, keitimas, pristatymas
- Šventinių dienų ir iškirtinių akcijų laikotarpiu (pvz.: Šv. Kalėdos, Black Friday) prekių pristatymas dėl didelio kurjerių užimtumo gali pailgėti 2-5 d. d.;
- Prekių pristatymas vykdomas darbo dienomis (I-V), 08:00 – 17:00 val.;
- Dieną prieš prekės pristatymą informuojama sms žinute apie prekės išsiuntimą, statuso pasikeitimą;
- Pristatymo dieną apie siuntos pristatymo laiką 1 val. tikslumu informuojama SMS žinute;
- Kai prekės bus išsiūstos iš Mūsų sandėlio, Jūs gausite siuntos sekimo numerį.
- Prekių nuotraukos, pakuotės spalva, komplektacija ir forma gali skirtis nuo realios prekės išvaizdos.
Prekių pristatymas Lietuvoje, Latvijoje, Estijoje.
Prekes galite atsiimti mūsų parduotuvėje Kaune adresu: Lakūnų pl. 81, Kaunas (Aleksotas)
Prekių pristatymas - Technikos
Paslaugos teikimo sąlygos:
- Prekės, esančios tos pačios fizinės parduotuvės sandėlyje, bus paruoštos per 1-3 darbo dienas nuo užsakymo patvirtinimo.
- Prieš užsisakant prekę, perskaitykite specifikaciją ir kitą informaciją.
- Jei prekė yra skirtinguose sandėliuose, pristatymo laikas gali būti pratęstas iki 7 darbo dienų.
- Dėl išsamesnės prekių pristatymo informacijos teiraukitės info@perlitas.lt arba +370 37 298239. Grąžinimas, keitimas, pristatymas
- Šventinių dienų ir iškirtinių akcijų laikotarpiu (pvz.: Šv. Kalėdos, Black Friday) prekių pristatymas dėl didelio kurjerių užimtumo gali pailgėti 2-5 d. d.;
- Prekių pristatymas vykdomas darbo dienomis (I-V), 08:00 – 17:00 val.;
- Dieną prieš prekės pristatymą informuojama sms žinute apie prekės išsiuntimą, statuso pasikeitimą;
- Pristatymo dieną apie siuntos pristatymo laiką 1 val. tikslumu informuojama SMS žinute;
- Kai prekės bus išsiūstos iš Mūsų sandėlio, Jūs gausite siuntos sekimo numerį.
- Prekių nuotraukos, pakuotės spalva, komplektacija ir forma gali skirtis nuo realios prekės išvaizdos.
Prekių pristatymas Lietuvoje, Latvijoje, Estijoje.
Prekes galite atsiimti mūsų parduotuvėje Kaune adresu: Lakūnų pl. 81, Kaunas (Aleksotas)
Susijusios prekės
Parduotuvė Kaune
-
I-V: 08:00 – 17:00
VI: 10:00 – 14:00
VII: Nedirbame