Prekių katalogas
Sukamasis stalas 41402
Prekės kodas: K042255
Pasiteirauti apie prekę
Sukamasis stalas 41402
411,53 €
Užklausa nusiųsta
Pasistengsime Jums atsakyti kuo greičiau.
Sukamasis stalas 41402
Prekės kodas: K042255
411,53 €
su PVM
Pristatymo būdai:
-
Atsiėmimas parduotuvėje
Lakūnų pl. 81, Kaunas
NEMOKAMAI -
Pristatymas į paštomatus
Į pasirinktą paštomatą Jūsų mieste
nuo 3.99€ -
Pristatymas kurjeriu
Į bet kurią Lietuvos vietą
nuo 5.99€
Prekės aprašymas
Dalies numeris41402
EAN4040658053733
UnitEach
Prekės ženklas
Išsami informacija Patvirtinta RDW
Taikymo sritis Priekaboms, kurių greitis didesnis nei 25 km/h
SavybėsJei ši serija naudojama lėtam eismui (mažiau nei 25 km/h), laikomoji galia gali būti padidinta 30-50 % Negręžta
Techninė informacija Taikoma sunkiasvoriams lauko automobiliams ir lengvųjų sunkvežimių priekaboms, kurių greitis didesnis nei 15 mylių per valandą
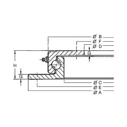
Maks. vertikali apkrova 3000 kg
ØBviršutinės dalies išorinis skersmuo687 mm
ØDViršutinės dalies vidinis skersmuo565 mm
ØABapatinės dalies išorinis skersmuo750 mm
ØCBapatinės dalies vidinis skersmuo634 mm
GB Apatinės dalies plokštės storis8 mm
HBendras aukštis 52 mm
ØFviršinės dalies tvirtinimo skylių apskritimo skersmuo590 mm
ØEBapatinės dalies tvirtinimo skylių apskritimo skersmuo725 mm
Tipo kodas750 N
Svoris 27 kg
[]
EAN4040658053733
UnitEach
Prekės ženklas
Išsami informacija Patvirtinta RDW
Taikymo sritis Priekaboms, kurių greitis didesnis nei 25 km/h
SavybėsJei ši serija naudojama lėtam eismui (mažiau nei 25 km/h), laikomoji galia gali būti padidinta 30-50 % Negręžta
Techninė informacija Taikoma sunkiasvoriams lauko automobiliams ir lengvųjų sunkvežimių priekaboms, kurių greitis didesnis nei 15 mylių per valandą
Maks. vertikali apkrova 3000 kg
ØBviršutinės dalies išorinis skersmuo687 mm
ØDViršutinės dalies vidinis skersmuo565 mm
ØABapatinės dalies išorinis skersmuo750 mm
ØCBapatinės dalies vidinis skersmuo634 mm
GB Apatinės dalies plokštės storis8 mm
HBendras aukštis 52 mm
ØFviršinės dalies tvirtinimo skylių apskritimo skersmuo590 mm
ØEBapatinės dalies tvirtinimo skylių apskritimo skersmuo725 mm
Tipo kodas750 N
Svoris 27 kg
[]
Savybės
K042255
Garantija
Paslaugos teikimo sąlygos:
- Prekės, esančios tos pačios fizinės parduotuvės sandėlyje, bus paruoštos per 1-3 darbo dienas nuo užsakymo patvirtinimo.
- Prieš užsisakant prekę, perskaitykite specifikaciją ir kitą informaciją.
- Jei prekė yra skirtinguose sandėliuose, pristatymo laikas gali būti pratęstas iki 7 darbo dienų.
- Dėl išsamesnės prekių pristatymo informacijos teiraukitės info@perlitas.lt arba +370 37 298239. Grąžinimas, keitimas, pristatymas
- Šventinių dienų ir iškirtinių akcijų laikotarpiu (pvz.: Šv. Kalėdos, Black Friday) prekių pristatymas dėl didelio kurjerių užimtumo gali pailgėti 2-5 d. d.;
- Prekių pristatymas vykdomas darbo dienomis (I-V), 08:00 – 17:00 val.;
- Dieną prieš prekės pristatymą informuojama sms žinute apie prekės išsiuntimą, statuso pasikeitimą;
- Pristatymo dieną apie siuntos pristatymo laiką 1 val. tikslumu informuojama SMS žinute;
- Kai prekės bus išsiūstos iš Mūsų sandėlio, Jūs gausite siuntos sekimo numerį.
- Prekių nuotraukos, pakuotės spalva, komplektacija ir forma gali skirtis nuo realios prekės išvaizdos.
Prekių pristatymas Lietuvoje, Latvijoje, Estijoje.
Prekes galite atsiimti mūsų parduotuvėje Kaune adresu: Lakūnų pl. 81, Kaunas (Aleksotas)
Prekių pristatymas - Dalių
Paslaugos teikimo sąlygos:
- Prekės, esančios tos pačios fizinės parduotuvės sandėlyje, bus paruoštos per 1-3 darbo dienas nuo užsakymo patvirtinimo.
- Prieš užsisakant prekę, perskaitykite specifikaciją ir kitą informaciją.
- Jei prekė yra skirtinguose sandėliuose, pristatymo laikas gali būti pratęstas iki 7 darbo dienų.
- Dėl išsamesnės prekių pristatymo informacijos teiraukitės info@perlitas.lt arba +370 37 298239. Grąžinimas, keitimas, pristatymas
- Šventinių dienų ir iškirtinių akcijų laikotarpiu (pvz.: Šv. Kalėdos, Black Friday) prekių pristatymas dėl didelio kurjerių užimtumo gali pailgėti 2-5 d. d.;
- Prekių pristatymas vykdomas darbo dienomis (I-V), 08:00 – 17:00 val.;
- Dieną prieš prekės pristatymą informuojama sms žinute apie prekės išsiuntimą, statuso pasikeitimą;
- Pristatymo dieną apie siuntos pristatymo laiką 1 val. tikslumu informuojama SMS žinute;
- Kai prekės bus išsiūstos iš Mūsų sandėlio, Jūs gausite siuntos sekimo numerį.
- Prekių nuotraukos, pakuotės spalva, komplektacija ir forma gali skirtis nuo realios prekės išvaizdos.
Prekių pristatymas Lietuvoje, Latvijoje, Estijoje.
Prekes galite atsiimti mūsų parduotuvėje Kaune adresu: Lakūnų pl. 81, Kaunas (Aleksotas)
Prekių pristatymas - Technikos
Paslaugos teikimo sąlygos:
- Prekės, esančios tos pačios fizinės parduotuvės sandėlyje, bus paruoštos per 1-3 darbo dienas nuo užsakymo patvirtinimo.
- Prieš užsisakant prekę, perskaitykite specifikaciją ir kitą informaciją.
- Jei prekė yra skirtinguose sandėliuose, pristatymo laikas gali būti pratęstas iki 7 darbo dienų.
- Dėl išsamesnės prekių pristatymo informacijos teiraukitės info@perlitas.lt arba +370 37 298239. Grąžinimas, keitimas, pristatymas
- Šventinių dienų ir iškirtinių akcijų laikotarpiu (pvz.: Šv. Kalėdos, Black Friday) prekių pristatymas dėl didelio kurjerių užimtumo gali pailgėti 2-5 d. d.;
- Prekių pristatymas vykdomas darbo dienomis (I-V), 08:00 – 17:00 val.;
- Dieną prieš prekės pristatymą informuojama sms žinute apie prekės išsiuntimą, statuso pasikeitimą;
- Pristatymo dieną apie siuntos pristatymo laiką 1 val. tikslumu informuojama SMS žinute;
- Kai prekės bus išsiūstos iš Mūsų sandėlio, Jūs gausite siuntos sekimo numerį.
- Prekių nuotraukos, pakuotės spalva, komplektacija ir forma gali skirtis nuo realios prekės išvaizdos.
Prekių pristatymas Lietuvoje, Latvijoje, Estijoje.
Prekes galite atsiimti mūsų parduotuvėje Kaune adresu: Lakūnų pl. 81, Kaunas (Aleksotas)
Susijusios prekės
Parduotuvė Kaune
-
I-V: 08:00 – 17:00
VI: 10:00 – 14:00
VII: Nedirbame